Back to Home Page of CD3WD Project or Back to list of CD3WD Publications

CLOSE THIS BOOKAmplifier Teaching Aid (DED Philippinen, 86 p.)
VIEW THE DOCUMENT(introduction...)
VIEW THE DOCUMENTPreface
VIEW THE DOCUMENTIntroduction
Lesson 1 - Semiconductor Review
Lesson 2 - Bipolar Transistor
Bipolar Transistor II
VIEW THE DOCUMENTFirst Evaluation
Lesson 4 - Transistor Fundamentals
Lesson 5 - Transistor Biasing
Lesson 6 - Transistor Biasing II
VIEW THE DOCUMENTSecond Evaluation
Lesson 7 - Small Signal Amplifier
Lesson 8 - Small Signal Amplifier II
Lesson 9 - Small Signal Amplifier III
Lesson 10 - Large Signal Amplifier
VIEW THE DOCUMENTThird Evaluation

First Evaluation

No. 1 Define extrinsic semiconductor and intrinsic semiconductor.

No. 2 At room temperature an intrinsic silicon crystal acts approximately like a ..................

No. 3 The current in a transistor is split into parts. Which is the highest and how is it split?

No. 4 Please sketch the basic transistor connections.

No. 5 If the base current is 100 mA and the current gain is 30, what is the collector current?

No. 6 Sketch a typical set of collector curves, label the graph and mark the regions of operation.

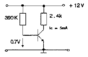
No. 7 a) Please calculate the current gain b.

b)What is the voltage between collector and ground?


Figure

No. 8 Describe how you can find the base lead of an unknown transistor with the help of an ohmmeter.

TO PREVIOUS SECTION OF BOOK TO NEXT SECTION OF BOOK

CD3WD Project Donate