Back to Home Page of CD3WD Project or Back to list of CD3WD Publications

CLOSE THIS BOOKAmplifier Teaching Aid (DED Philippinen, 86 p.)
Lesson 2 - Bipolar Transistor
Lesson Plan
VIEW THE DOCUMENT(introduction...)
VIEW THE DOCUMENTIntroduction
VIEW THE DOCUMENTTransistor structures and symbols
VIEW THE DOCUMENTTransistor currents
VIEW THE DOCUMENTCurrent gain
VIEW THE DOCUMENTTransistor connections
VIEW THE DOCUMENTWorksheet No. 2
VIEW THE DOCUMENTExperiment No. 2

Amplifier Teaching Aid (DED Philippinen, 86 p.)

Lesson 2 - Bipolar Transistor

Lesson Plan

Title: Bipolar Transistor

Objectives:

- Know the structure and symbols of bipolar transistors
- Able to calculate the current gain
- Understand how the currents in a transistor are split


Figure

Introduction

Amplifier Principle


Fig. 2-1: Amplifier- principle

Small- and Large Signal Amplifier


Fig. 2-2: Pre- and power amplifier

Amplifier circuits provide power gain.

Ex: P input- = 5 mW, P output = 50 W

Transistor structures and symbols


Fig. 2-3: NPN and PNP structure

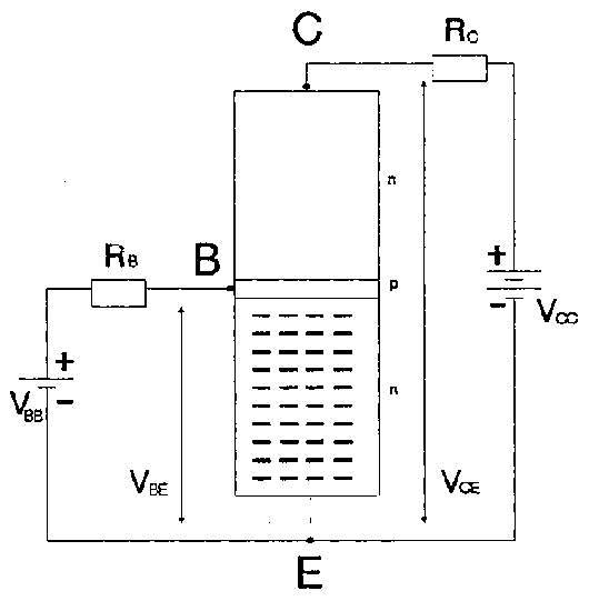
Transistor currents

(see Fig. 2-4)

VBB forward biases the emitter diode, forcing the free electrons in the emitter to enter the base. The thin and lightly doped base gives almost all these electrons enough time to diffuse into the collector. These electrons flow through the collector, through RC, and into the positive terminal of the VCC voltage source. In most transistors, more than 95% of the emitter electrons flow to the collector, less than 5% flow out the external base lead.


Fig. 2-4: NPN Transistor

Recall Kirchhoff's current law:

=> IE = IC + IB


Fig. 2-5: Transistor currents

Because IB is very small, for circuit analysis, we can do the following approximation:

IC is equal to IE

Current gain

Transistor circuits provide the power gain that is needed in electronic applications. They also provide voltage gain and current gain (bdc). Current gain bdc of a transistor is defined as:

Ex:

IC = 10 mA

IB = 40 mA


Transistor connections


Fig. 2-6: Transistor connections

CE CONNECTION

The common emitter (CE) connection is the most widly used transistor connection.


Fig. 2-7: CE amplifier, base biased

Base supply voltage: VBB
Collector supply voltage: VCC
Voltage base to ground: VB
Voltage emitter to ground : VE
Voltage collector to ground : VC

Worksheet No. 2

No. 1 A transistor has an emitter current of 10 mA and a collector current of 9.95 mA. What is the base current?

No. 2 A transistor has a current gain of 150 and a base current of 30 mA. What is the collector current?

No. 3 If the collector current is 50 mA and the current gain is 75, what is the base current?

Experiment No. 2


Figure

Procedure

* Connect the circuit. R1 and R2 must be set for maximum resistance before power is supplied.

* Connect the power supply, adjust R1 for 10 mA base current and adjust R2 to maintain VCE at 6V, Measure and record IC in the table below.

* Repeat the measurement for every value of IB given in the table.

* Calculate the current gain (beta) for every measurement.

Step

IB mA

lC mA

beta

VCE volt

1

10



6

2

20



6

3

30



6

4

40



6

5

50



6

TO PREVIOUS SECTION OF BOOK TO NEXT SECTION OF BOOK

CD3WD Project Donate