Back to Home Page of CD3WD Project or Back to list of CD3WD Publications

CLOSE THIS BOOKRadio and Electronics (DED Philippinen, 66 p.)
VIEW THE DOCUMENT(introduction...)
1. INTRODUCTION
2. PRINCIPLES OF RADIO COMMUNICATION UNICATION
3. TRANSDUCERS
4. RADIOWAVES
5. MODULATION OF RADIOWAVES
6. RECEPTION OF RADIOSIGNALS (AM - TYPE)
7. COMPONENTS OF MODERN RADIO RECEIVERS
8. PASSIVE COMPONENTS
9. ACTIVE COMPONENTS -1- DIODES
10. BLOCKS OF RADIOS / -1- / POWER SUPPLIES
11. ACTIVE COMPONENTS -2- / TRANSISTORS
12. AMPLIFIERS
13. CLASS B AMPLIFIERS
VIEW THE DOCUMENT14. DETECTOR OR DEMODULATOR
VIEW THE DOCUMENT15. AGC-AUTOMATIC GAIN CONTROL
VIEW THE DOCUMENT16. IF-AMPLIFIERS
VIEW THE DOCUMENT17. FEEDBACK
VIEW THE DOCUMENT18. OSCILLATORS
VIEW THE DOCUMENT19. FREQUENCY CHANGERS MIXERSTAGE
VIEW THE DOCUMENT20. DECOUPLING CIRCUITS
VIEW THE DOCUMENT21. MATCHING OF AMPLIFIERSTAGES
VIEW THE DOCUMENT22. COUPLING OF AMPLIFIERSTAGES
23. RADIO SERVICING
VIEW THE DOCUMENT24. THE USE OF THE OSCILLOSCOPE

19. FREQUENCY CHANGERS MIXERSTAGE

PURPOSE:

to change the incoming radio frequency to the selected intermediate-frequency (IF) by mixing the radiofrequency with the signal of the local oscillator.

GENERAL FUNCTION:

the mixerstage is mainly depending on two preconditions

a) the signals have to be added,
b) and the sum of the signals has to be amplified in a nonlinear way.

Adding of two signals can be achieved for example by connecting the output-coil of the oscillator and the secondary coil of the tuned circuit in series.

The signal at the output will look like fig. 200. As it is easy to see, there is not yet produced an evident signal which has the actual frequency of the IF.


fig. 200

The IF-signal is produced by feeding the summarized signal into a so called nonlinear amplifier.

This is an amplifier similar like a Class A amplifier but with an extremly low biasing voltage. In fig. 201 is demonstrated how the signal is changed step by step. In order to get at last a signal modulated by the IF-frequency it will pass at last a transformer, which lets pass only the ac-component of the signal produced at point A of the stage. A practical circuit found


fig. 201

The two signals which have to be mixed together are injected via two channels. The RF-signal is injected as normal to the base of the transistor.


fig. 202

The signal of the local oscillator is injected at the emitter of the transistor.

COMMON MIXERSTAGE

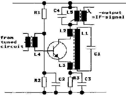
Most domestic radio receivers use what is known as a “self-oscillating-mixer-stage”. In such a circuit the oscillater and the mixer function are achieved by a single transistor like shown in fig. 203.


fig. 203

The oscillator-tuned-circuit is represented by L1 and C1. The feedback of the collector is injected via L2 and the oscillator-output is coupled to L3 at the emitter to be mixed together with the RF-from the tuned circuit coming from L4 connected to the base of the transistor. A small starting bias for the oscillator is provided by R1 and R2 and a reverse bias is R3 and C3.

The circuit selects via C4 and LS the intermediate frequency which is produced via the mixing process as well and feeds the IF via the tuned circuit L5 and C4 to the next amplifier stage.

CHECK YOURSELF:

1. What is HETERODYINING? What is its advantage?

2. What is a mixerstage necessary for in a superhet receiver?

3. Mention the type of radio receiver which has a frequency changer!

4. What happens during the process of hereodyning? What is the output of a frequency changer?

5. Which preconditions are necessary to mix two frequencies properly?

TO PREVIOUS SECTION OF BOOK TO NEXT SECTION OF BOOK

CD3WD Project Donate