Back to Home Page of CD3WD Project or Back to list of CD3WD Publications

CLOSE THIS BOOKRadio and Electronics (DED Philippinen, 66 p.)
10. BLOCKS OF RADIOS / -1- / POWER SUPPLIES
VIEW THE DOCUMENT10.1. GENERAL CONSIDERATIONS
VIEW THE DOCUMENT10.2. TRANSFORMER
VIEW THE DOCUMENT10.3. THE RECTIFIERS.
10.4. SMOOTHING AND FILTER CIRCUITS
VIEW THE DOCUMENT10.4.1. THE RESERVOIR CAPACITOR
VIEW THE DOCUMENT10.4.2. FILTER CIRCUITS
10.5. STABILIZATION
10.5.1. GENERAL REMARKS
VIEW THE DOCUMENT10.5.1.1. LOAD VARIATIONS
VIEW THE DOCUMENT10.5.1.2. INTERNAL RESISTANCE OF VOLTAGESOURCES
VIEW THE DOCUMENT10.5.1.3. PROBLEMS CAUSED BY THE SMOOTHING CIRCUIT
10.5.5. METHODS OF STABILIZATION
VIEW THE DOCUMENT(introduction...)
VIEW THE DOCUMENT10.5.5.1. PARALLEL-STABILIZATION
VIEW THE DOCUMENT10.5.2.2. SERIES STABILIZATION

Radio and Electronics (DED Philippinen, 66 p.)

10. BLOCKS OF RADIOS / -1- / POWER SUPPLIES

10.1. GENERAL CONSIDERATIONS

Kind of supply voltage:

Radio receivers like most of the electronic nowadays need for good performance a -dc-voltage which is very stabil.

Reason:

Every change of the supply voltage acts on the receiver like an injected signal and this means distortion.

Energy source:

Nowadays mostly batteries or powersupplies from mains.

Amount of supply voltage:

Depending on the kind of “active-components” used in the receiver. For valve receivers “high tension” (75 - 350 V), for transistor receivers (3 - 24 V).

Stages in a power supply:

According to the problems arising in a special case, there are different stages necessary in a power-supply in order to have the constant dc-voltage required.

Energy source

stages required

kind of radio supplied

mains

---------

transforming

rectifying

smoothing

stabilizing

working

batteries

chopping

transforming

rectifying

smoothing

stabilizing

with valves

batteries

---------

---------

---------

---------

stabilizing

working with

Mains

---------

transforming

rectifying

smoothing

stabilizing

transistors

Chopping is not a topic of this course, therefore the most complicated with here is the supply of a transistorracio by the mains which is shown in blocks in fig. 87.


figure

10.2. TRANSFORMER

A REMARK FOR YOUR SECURITY:

As long as a transformer is used to step down from a voltage exceeding 50 Volts to an extra low voltage it is necessary to make sure that it is consisting of two separate coils which are sufficiently insulated from each other (testing potential 1500 V!!)

IT IS NOT AT ALL ALLOWED TO USE SO CALLED AUTOTRANSFORMER IN SUCH A CASE.

PRINCIPLE OF TRANSFORMERS

was taught in Electrical Science Form 2. The rough formula for the ratio of the input and output voltage is:

But this formula takes not in account the considerable voltage drop which takes place in case current is drawn from the transformer.

TRANSFORMER PART 2

If it is necessary to built a transformer yourself, the following formulas are helpful: At first it is necessary to find the total output power of the transformer. Therefore sum up all the powers drawn from all the secondary coils (sometimes transformers have more than only one secondary coil).

Psec = P1 + P2 + P3 .......... + Pn

Now it is possible to determine the input-power for the transformer by a rough estimation which tells us:

- for a transformer below 20 W we must expect losses of .... 20 %.
- for a transformer up to 100 W we have to expect losses of 10 %
- for a transformer bigger than 100 W we have to expect losses of 5%.

Pprim = Psec + losses

The crossection of the iron core is mainly depending on the total power. The rough formula for the AFe shown, related to transformers which reach a magnetic flux density of 1,2 Vs/m which will not be possible to reach with selfmade sheets.

AFe (cm2) = P (W)

Therefore it will be better in case of selfmade sheets to enlarge the crossectional area for some per cents. Now it is possible to determine the number of turns with the formula for N.

But if normal iron core is used and the frequency of the mains is 50 Hz it is possible to use a simplified formula N...

For taking in account the losses you can either use the secondary windings formula or decrease the voltage of the primary coil for the percentage of losses.

N = Nnom + (1 + percentage of losses)

Now you are still lagging the crossection of the wires, which can be obtained by:

If you plan to produce the iron core yourself now you have to calculate the crossection of the whole coil additional the space necessary for the coilformers, the insulation and the space lost by using round wires.


figure

This is giving you the area necessary between the iron sheets.

10.3. THE RECTIFIERS.

GENERAL REMARK

- So you will hardly meet a valve radio in practice nowadays, here we will deal only with semiconducting rectifiers.

- So the different kinds of rectifier circuits are already taught in Form III they will not be a matter of this chapter.

- This chapter will deal with questions which might arise, if you have to check or to repair a rectifier in a radio.

HOW TO FIND OUT THE TYPE OF RECTIFIER CIRCUIT?

A) By checking the components and their number of terminals:

The following table shows the different cases you can meet and the types of rectifier circuits, used in those cases:

number of rectifying components or units

number of terminals of these components or units

type of rectification achieved in this case

1

2

one-way rectification with one diode

1

4

double-way rectification with bridge unit

2

2

double-way rectification with a centre tapped transformer

1

3

double-way rectification with a centre tapped transformer with two double diode units

4

2

double-way rectification with four diodes

B) By checking the identification of the components:

There are two cases possible:

- Either you find only diodes used in the rectification circuit - then you will find on them two letters and a figure.

The first letter determines the material used: A= Germanium / B = Silicon

The second letter determines the normal use of this diode: Y= rectification / Z = Zenerdiode

The number tells You where in the data book, you will find the specifications for this very diode:

- or You find a rectifier unit big enough to carry specifications on itself: for example: B250 C 100

Here the first letter shows the type of the unit (B = bridge type / M - centre tapped type / DB - threephase bridge type) the figure 250 shows the maximum reverse voltage allowed

The letter C shows the allowed type of load (here a capacitor/see next chapter). The last figure 100 gives the permissible forward current (here 100 mA)


fig. 92

WHICH VALUES ARE VERY IMPORTANT?

For this question you can find an answer very easily if you look to the specifications of rectifier units explained in the last chapter.

It is: the reverse voltage, and the forward current.


fig. 89

If You recollect the characteristics of a diode you will easily understand why a diode is limitted just with those two values:

Find out yourself:

What can you do, if you want to repair a radio and you do not find: a) a diode with a satisfying forward cur rent? b) a diode with a satisfying reverse voltage?

ADDITIONAL REMARKS ON THE PROBLEM OF “REVERSE VOLTAGE”.

As you saw in the chapter above on bridge units you find a special letter showing, which kind of load is permissible for this very unit.

This fact you will understand after considering the following chapter:

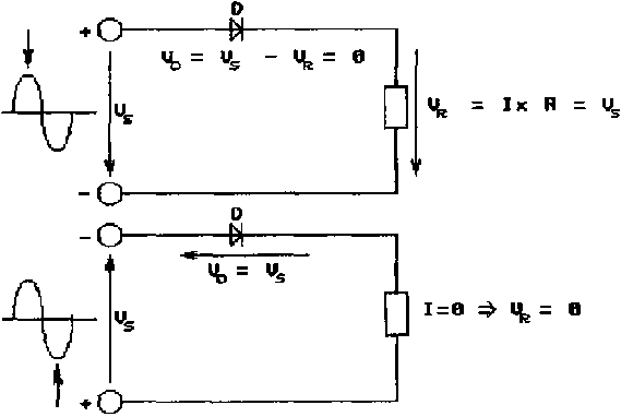
a) rectifier loaded by a resistor:

In forward direction the current flows through the diode, causing almost no voltage drop at the diode. In reverse direction there is no current flowing through the diode, but the total voltage drop at the diode is equal to the supply voltage.


fig. 90

b) rectifier, loaded by a capacitor:

In forward direction the conditions are the same as if the load is a resistor. But after the capacitor was charged during the positive halfwave, during the next negative halfwave, the reverse voltage will be the sum, of the voltage at the capacitor and the supply voltage. So the reverse voltage will be twice as high as the voltage of the supply


fig. 91

This shows, the diode supplying a circuit with a capacitor has to withstand higher reverse voltages.

CONNECTION OF RECTIFIERES

On a diode we find always a ring on its cover. This ring shows the ANODE of the diode.

At rectifier units we find at the terminals the following signs:

- means ac-input
+ and - show the de-output.

10.4. SMOOTHING AND FILTER CIRCUITS

10.4.1. THE RESERVOIR CAPACITOR

The output of rectifiers - although unidirectional - is not suitable to supply a radio because it contains still a RIPPLE - an ac partition of the voltage. These ripples cause distortion to the radio, supplied.

Therefore there are means needed which reduce these ripples and convert the output voltage of the rectifier to a steady dc-supply.

The effect of the circuits doing this job is called SMOOTHING. The simplest form of smoothing is obtained by connecting a capacitor in parallel to the output of the rectifier terminals as shown in figure 93.


fig. 93

During the first half of the ripple when the output voltage of the rectifier is increasing - the capacitor will be charged.

Therefore during this period the capacitor stands for an additional load which means the overall voltage at the output will be smaller than without the capacitor (depending on the internal resistance of the voltage source). This effect will go on till the voltage has reached its peak.

During the second half of the ripple - when the voltage drops again - the capacitor is discharged again. The capacitor stands now for a second energy source parallel to the original voltage source (the rectifier). So the voltage at the output terminals will be higher than without the capacitor because the current drawn from the rectifier is diminished. Summing up: The capacitor will tend to fill the “valleys” between the ripples.

It acts like a store (reservoir) which stores energy during the time of surplus energy coming form the rectifier and which gives out this stored energy during the time of shortage of energy. Therefore this capacitor is called a RESERVOIR CAPACITOR too.

The capacitance, necessary for this capacitor depends on:

a) the load current expected (As bigger the load current as bigger must be Cres).

b) the kind of rectification used before - With one-way rectification the Cres must be bigger than with two-way rectification.

ONE-WAY-RECTIFICATION


fig. 94

FULL-WAVE-RECTIFICATION


fig. 95

But the capacity of the reservoir capacitor will be limitted by the maximum current permissible for the diodes in the rectifier. This is because in the moment of the first charging (when switching on the supply) it will act similarly like a short circuit for the diodes.

Anyway, we will find always a ripple left on top of the output voltage of such a dc-supply with reservoir capacitor and therefore in most of the cases the output voltage of such a kind of circuit will not be satisfying for the supply of a radio. Additional SMOOTHING is necessary.

The output voltage of Cres is still a dc voltage with an additional ac-component - even though the ac-component is diminished.

The alternating component is not really sinusoidal but this makes little difference to the general principle.

The frequency of the ac-component - the so called RIPPLE is obviously depending on the mains frequency (in most of the cases we will find either 50 or 60 Hz) and the type of rectification used.

If one-way rectification is applied and the supply frequency is 50 Hz we will find a ripple of 50 Hz.

And if two-way rectification is used we will find a ripple of 100 Hz.

10.4.2. FILTER CIRCUITS

To obtain a still steadier voltage we need a circuit which will allow the passage of dc current and avoid the flow of ac current through the load.


fig. 96

To achieve this aim there are two possible methods:

A- To drop the ac-voltage component at a part of the circuit - this means at a component connected in series to the load (see in fig. 96a)


fig. 96a

B- To bypass the ac-component of the current via a component connected in parallel to the load

Method A requires something with a low resistance for dc and a high one for ac-components. Fitting therefore is obviously an inductor.

Method B requires something with a high resistance for dc and a low one for ac components. Fitting therefore is obviously a capacitance.

The best smoothing can be achieved, if both methods are used in the same smoothing circuit. Therefore in power supplies for very high quality you will find so called LC-smoothing circuits containing inductors and capacitors.

But inductors (often called “chockes”) are bulky, heavy and expensive. Therefore they are in most of the cases replaced by a resistor and form then together with the capacitor so called RC-smoothing circuits.

But resistors do not have an increased impedance for ac-components (compared with their resistance for dc).


fig. 97

This fact makes the RC-smoothing circuits less effective than the LC ones - But in practice you will mostly find the RC ones.

CLOSER LOOK TO THE SMOOTHING FUNCTION OF A SMOOTHING CIRCUIT

1. Supposed the receiver represented here by the load resistor R draws at 10 Volts a current of 30 mA. That means, the load resistor represents


figure

2. Supposed resistor is 100 Ohms. Then the voltage drop across this resister will be:

VR1=R1 × IL = R1 × I = 30 mA × 100 W = 3V


figure

Thus the supply voltage in this case must be = Vs = VR1 + VL = 3 V + 10 V = 13 V

3. Supposed the ripple-voltage across the reservoir capacitor of the powersupply is 2 Volts and assuming, a full-wave rectification.

That means a ripplefrequency of 100Hz. Supposed the reservoir capacitor has a capacity of 500 µF then its reactance is:


figure

The ripple voltage can be calculated according to the voltage division at Csmooth and Rsmooth


figure

Thus the ripple voltage has been reduced from 2V at the input to 0.064 V at the output of the smoothing circuit.

This means, it has been reduced for 97%

10.5. STABILIZATION

10.5.1. GENERAL REMARKS

10.5.1.1. LOAD VARIATIONS

If the radio receiver produces much sound it will need more electric energy than if it will produce less sound. The voltage of the receiver has to be kept constant because of reasons we discussed already in former chapters. These differences in supply energy necessary for the receiver will therefore mean:

DIFFERENT AMOUNTS OF CURRENT DRAWN FROM THE SUPPLY.

10.5.1.2. INTERNAL RESISTANCE OF VOLTAGESOURCES

Every voltage source have a so called “internal resistance” which causes voltage drops at their terminals if any load current is drawn from the source.


fig. 100

If the current is varied - (as shown above this is always the case with radio receivers) - therefore the voltage supplied at the terminals of the source will vary too (as shown in fig. 100)

10.5.1.3. PROBLEMS CAUSED BY THE SMOOTHING CIRCUIT

If you have a short look back to the last chapter, you can easily recognize, that with the common RC-smoothing circuit we have added to the internal resistance the Rv. With such a smoothing circuit we cause therefore an even stronger variation of the supply voltage. To overcome these difficulties we have to find now a possibility to STABILIZE the power-supply voltage.

10.5.5. METHODS OF STABILIZATION

Let us take as example the power supply which the output characteristics plotted in fig. 100.

It is intended to use it for a receiver operated with 6 Volts.

The maximum current to be delivered by this supply at 6 Volts is 500 mA.

If the receiver uses a maximum current of 500 mA this supply is OK. As we know, the receiver will draw different currents - which means: the voltage would increase up to 12 V.

10.5.5.1. PARALLEL-STABILIZATION

Here the overall current drawn from the supply will be kept constant by a component giving way for a current in a second path as soon as the voltage tends to increase above 6 V.


fig. 102

PARALLEL CONTROL STABILIZING CIRCUIT USING A ZENERDIODE EXCLUSIVELY

the most simple circuit to achieve the parallel stabilization is to connect a so called ZENERDIODE in parallel to the load.

FUNCTION:

Let us first have a closer look to the characteristics of a zenerdiode. The characteristics of one called B6Z2 is shown in fig. 105. It is easy to see, that the zenerdiode has a very flat characteristics first (which means a very high resistance) and from a special point on it has an extremly steep-characteristics (which means a very low resistance).


fig. 105

The working points between which the diode is useful for stabilization are found at the borders of delta-V.

Taking the second part of the characteristics for a moment theoretically totally vertical, the zenerdiode looks like a contact closed as soon as the voltage at its terminals is exceeding a special limit (the zenervoltage).

Even though this is only a theoretical view, it shows us what the zenerdiode is going to do in the simple stabilization circuit: It will let flow a big amount of-current as soon as the zenervoltage is exceeded.

That means too: the voltage at its terminals is changing only very slightly while the current changes tremendously - as seen in fig. 105 fig. 106 shows this rather simple circuit containing a Zenerdiode, which is able to do the job rather well.


fig. 106

The overall current flowing in the circuit is kept constant here by the zenerdiode.

The next chapter will show us by graphical means how this is working by using the characteristics of the zenerdiode.

GRAPHICAL DERIVATION OF THE FUNCTION OF A SIMPLE PARALLEL CONTROLLED STABILIZATION.

fig. 107 shows the typical graph of a Zenerdiode connected in series to a resister (here the internal resistor of the voltage source or even a special series resistor)


fig. 107

If there is a load-resistance lower than infinite it can be represented by one of the graphs shown in fig. 108.


fig. 108

As we know, the graph is as steeper as lower the resistance represented is. If both components - Rload and the zenerdiode - are connected in parallel, there are passing two currents through them in parallel. If we want to know the overall current flowing through both components, we can find that easily, by constructing the overall characteristics, of both, by adding the vertical represented currents.


fig. 109


fig. 110

The characteristic obtained by that method is shown in fig. 109. is the overall-characteristics of zenerdiode and loadresistor in parallel.


fig. 109

If we return now the characteristics of the internal resistor back to our field, we can easily read from it, how much voltage will be found at different load resistors.

Homework;

By using fig. 110 find out, what the voltages at the load are, with the different loadresistance.

Find out what voltage would appear with the same voltage source and the given load resistors, without a stabilizing circuit. Plot the stabilized and the unstabilized voltage over the load currents.


figure

10.5.2.2. SERIES STABILIZATION

Here the voltage appearing at the terminals of the voltage source is divided in one part dropped at the load (the receiver) and a second part connected in series dropping the rest of the voltage not to be allowed at the receiver.


fig. 104

TO PREVIOUS SECTION OF BOOK TO NEXT SECTION OF BOOK

CD3WD Project Donate