Back to Home Page of CD3WD Project or Back to list of CD3WD Publications

CLOSE THIS BOOKRadio and Electronics (DED Philippinen, 66 p.)
11. ACTIVE COMPONENTS -2- / TRANSISTORS
VIEW THE DOCUMENT11.1. CONSTRUCTION OF A TRANSISTOR
11.2. CHARACTERISTICS OF TRANSISTORS
VIEW THE DOCUMENT(introduction...)
11.2.1 HANDLING OF CHARACTERISTICS OF TRANSISTORS
VIEW THE DOCUMENT11.2.1.1. CONSTRUCTION OF THE STATIC-MUTUAL-CHARACTERISTICS
VIEW THE DOCUMENT11.2.1.2. CONSTRUCTION OF THE DYNAMIC MUTUAL CHARACTERISTICS
VIEW THE DOCUMENT11.2.1.3. CONSTRUCTION OF THE MAXIMUM-POWER-LINE

Radio and Electronics (DED Philippinen, 66 p.)

11. ACTIVE COMPONENTS -2- / TRANSISTORS

11.1. CONSTRUCTION OF A TRANSISTOR

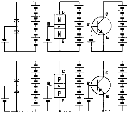
Transistors consist of three sections of a semiconducting base material. The two outer sections being doped in opposite sense, the centre section - called the BASE. The outer two sections are called:

COLLECTOR and EMITTER.


fig. 119

Between these three sections and obviously between the three terminals too, there are two junctions of PN-type, these two junctions can be looked at as two diodes connected in opposite direction.

Connection basically:

If the transistor is used in an electronic circuit generally the collector-base junction is connected in reverse direction and the base-emitter junction is connected in forward direction.

Function (simplified):

If there flows a considerable small current through the base-emitter junction, this allows a considerable strong current to flow from collector to emitter. The sketch in fig. 122 shows this behaviour very simplified.


fig. 122a


fig. 122b

Notation of transistors:

To find out which type of transistors we deal with we have to know the notation of transistors.

In most cases you find a combination of letters and figures on the case of the transistor. To find out exactly the specifications of this very transistor. You have actually to use a databook.

But very often the notation gives us hints about what the transistor is normally used for.

How does the transistor do its job?

Incidental remark:

Here will be derived the function of an NPN-transistor and an PNP-transistor in a similar manner.

It must be kept in mind, that the base layer in any transistor is very tiny in comparison with the two other layers. To explain the function of a transistor it must be dealt with as being connected to voltage sources. There are different possibilities to connect it two voltage sources. The possibility used here is the so called COMMON EMITTER CONNECTION.

This connection is the most often used one in practice. Therefore the other connections will not be dealt with here.

By the way: the transistor technology is still developing and this development led to new transistors, which can be used in common-emitter connection even in cases where in former times another connection was necessary.

Derivation of the function:

1. If a transistor is connected to a voltage-source as shown in fig. 123 it will not conduct any current, because one of the PN-junctions is always biased in reverse direction.


fig. 123

2. As long as the voltage between base and emitter is connected in reverse direction there will not flow any current as well - as we know already from our explanations about a diode.


fig. 124

3. As soon as a voltage source is connected to the base-emitter junction in forward direction, and the voltage reaches a level higher than the so-called threshold voltage, of this junction, there will start to flow a current through this junction.

This current causes within the transistor a very special effect:

The chargecarriers (electrons or “holes”) enter the base-region. But as the base region is very narrow, these chargecarriers comming in big numbers from the wide emitter-region cannot be channelled totally through the base terminal.

So they invade the depletion-layer of the collector-base junction. But at the collector terminal with a strong polarity of the voltage-source connected to the collector and the emitter-terminals waiting for those charge-carriers, and attracts them through the depletion layer causing a current to flow through a PN-juncion (collector-base junction) in reverse direction.


fig. 126

The current channeled from collector to emitter (or vice versa) by the base current is called the COLLECTOR CURRENT.

This collector current is depending on the amount of BASE-CURRENT which was the origin of the effect.

As soon as the base current will be changed or interrupted, the collector current will change proportionally or will be interrupted as well.

The big advantage of the transistor is: the collector current is between 20 to 200 times bigger than the base - current.

SUMMING UP:

The transistor is a device which makes it possible to control.

A big current (COLLECTOR CURRENT) by a very small current (BASE CURRENT).

11.2. CHARACTERISTICS OF TRANSISTORS

If a technician wants to use transistor in a certain electronic device, he has to know first exactly how it will work under the conditions given in this very circuit. To make it possible to predict the function of such a transistor, the producers of transistors supply the users with so called “data sheets”.

Beside a lot of values given directly in those data sheets, they are also plotting the most important characteristics of the transistors.

FIELD OF CHARACTERISTICS

If we consider for a moment again our transistor we find our easily that there are four electrical factors on which it is depending on.

- the base-emitter voltage

VBE

- the base-current

IB

- the collector-emitter voltage

VCE, and

- the collector-current

IC

To make the relations between those factors more obvious, we find nowadays very often the so called

FOUR-QUADRANT-FIELD

Fig. 130 shows a plot of such a kind.


fig. 130

The four quadrants are called:

QUADRANT 3 - shows the relation between the base-current and the base-emitter voltage. This is always a graph very similar as the graph of a diode, only turned around, so that it fits into this part of the field. So the base and the emitter are connected to the input of the common-emitter-connection, the characteristics is called the INPUT-CHARACTERISTICS.

This term can be understood too if you think about the explanation of the function of a transistor, where the base current was described as the precondition for the collector current.

QUADRANT 1 - shows the relation of the collector-current and the collector-emitter-voltage. We can see it also as the representation of the resistance between collector and emitter. So this resistance is depending on the base current, there are different graphs, for different amounts of base-current. Because the collector and the emitter are connected to the output side of a common-emitter connection, the characterics shown in this quadrant are called OUTPUT-CHARACTERISTICS.

QUADRANT 2 - represents the relation between the collector-current and the base-current. This means, it shows the relation between one factor which is part of the input side of the circuit and another which is part of the output side. Therefore this graph is called the MUTUAL-CHARACTERISTICS.

QUADRANT 4 - is used very rarely and only its name shall be only mentioned here: FEEDBACK CHARACTERISTICS-

11.2.1 HANDLING OF CHARACTERISTICS OF TRANSISTORS

11.2.1.1. CONSTRUCTION OF THE STATIC-MUTUAL-CHARACTERISTICS

Even if you find in a given four-quadrant-characteristics a so called mutual-characteristics this is very often not fitting, because this characteristics is changing when collecter-emitter-voltage is changing. For this reason it is necessary to know how this characteristics can be found for each voltage you want it.


fig. 131a

A) draw a vertical line into the 1. quadrant at the collector-emitter-voltage for which you want the mutual-characteristics.


fig. 131b

B) draw horizontal lines through the points at which this vertical line is crossed over by the lines of the output-characteristics.


fig. 131c

C) Find out the values of the base current represented by the crossed over lines in the output-characteristics and mark the horizontal lines at those values of the base-current in the 2. quadrant.


fig. 131d

D) Connect all the points which you have found to get a new graph - this is the mutual characteristics for the desired collector-emitter-voltage.


fig. 131e

11.2.1.2. CONSTRUCTION OF THE DYNAMIC MUTUAL CHARACTERISTICS

If the transistor is connected in a circuit the mutual characteristics changes according to the parameters given in this very circuit. The graph, showing this characteristics, is called the DYNAMIC MUTUAL CHARACTERISTICS and it shows actually the ability of amplifications of this very circuit.

To construct it, we enter the loadline of the collector-resistor into the output quadrant and find the values of the collector-current for each given base-current. The relation Ic/Ib is represented then in the 2. quadrant as shown in fig. 133.


fig. 133

For the given circuit of a transistor with the given characteristics, an Rc of 300 Ohms and a supply voltage of 9 Volts, we find that the amplification is rather constant as long as the base-current does not exceed 3 mA. Above this value the amplification is decreased down to 0.

Mind too, that the output voltage Vce is high at low base-currents (low-input-signal) and vice versa.

11.2.1.3. CONSTRUCTION OF THE MAXIMUM-POWER-LINE

Each transistor has a maximum power rating. Which means: this is the power which can be dissipated by it, without danger of destruction.

Therefore it is extremly important to make sure that the transistor is always operated on “the safe side” - which means in our field of characteristics: on the safe side of the maximum power line. For this reason it is necessary to be able to construct the maximum-power-line.


fig. 132

A) find in the data sheets the maximum permissible power for the transistor.

B) Calculate for various collector-emitter-voltages the permissible collector-current for this power. (The power dissipated for the input-values is so minute, that it can be neglected).

Ic = Ptot / Vce

C) Construct the Power-line by inserting the values of Ic for the different collector-emitter voltages.

The maximum powerline represents the field of application in a safe-area and a not allowed area.


fig. 132a

TO PREVIOUS SECTION OF BOOK TO NEXT SECTION OF BOOK

CD3WD Project Donate