Back to Home Page of CD3WD Project or Back to list of CD3WD Publications

CLOSE THIS BOOKLighting Installation - Basic vocational knowledge (Institut für Berufliche Entwicklung, 164 p.)
5. Light Sources for Illuminating Purposes
VIEW THE DOCUMENT5.1. General Remarks
5.2. Thermal Radiation Lamps
VIEW THE DOCUMENT5.2.1. Genera1-Service Lamps
VIEW THE DOCUMENT5.2.2. Shaped Lamps for Technical and Decorative Purposes, Tube Lamps
VIEW THE DOCUMENT5.2.3. Projection Lamps
VIEW THE DOCUMENT5.2.4. Halogen-Filled Incandescent Lamps
5.3. Discharge Lamps
5.3.1. Low-Pressure Lamps
VIEW THE DOCUMENT(introduction...)
VIEW THE DOCUMENT5.3.1.1. Tubalar Fluorescent Lamps
VIEW THE DOCUMENT5.3.1.2. Sodium Vapour Lamps
5.3.2. High-Pressure Lamps
VIEW THE DOCUMENT(introduction...)
VIEW THE DOCUMENT5.3.2.1. Mercury-Vapour Lamps
VIEW THE DOCUMENT5.3.2.2. Halogen Metal Vapour Lamps
VIEW THE DOCUMENT5.3.2.3. Sodium Vapour Lamps

Lighting Installation - Basic vocational knowledge (Institut für Berufliche Entwicklung, 164 p.)

5. Light Sources for Illuminating Purposes

5.1. General Remarks

According to the kind of light generation, the light sources are divided into two groups:

- Temperature radiators and
- Discharge lamps.

The group of temperature radiators includes all universal lamps, projection lamps and halogen lamps. These light sources have a great infrared portion and only a small visible range (approximately 90 % of the power rating is heat and 5 - 10 % is visible light). Consequently, the light efficiency is very low.

The discharge lamps comprise the group of low-pressure discharge lamps which the fluorescent lamps and sodium vapour discharge lamps (low-pressure lamps) belong to as well as the group of high-pressure discharge lamps which include the high-pressure mercury vapour lamps, halogen metal vapour lamps and high-pressure sodium vapour lamps. This categorization of lamps is of an increasing importance.

5.2. Thermal Radiation Lamps

5.2.1. Genera1-Service Lamps

Construction forms for illuminating purposes


Figure 17. General-service lamps

Base: Screw-thread or bayonet base


Figure 18. Socket forms for filament lamps

- Bulb: Clear or inside-coated, silvered or with reflector-coating

- Coiled-coil filament: Single or double filament with normal mount or - which is more frequently used - suspension in order to increase the vibration stability and shock absorption

- Gas filling: Argon-nitrogen or krypton-nitrogen mixture

Construction forms for illuminating and decoration purposes

- Bulb: Colour-coated red, orange, yellow, green, blue or pressed patterns or ornaments on the external surface of the bulb

Way of acting

The bulb, after application of its operating voltage, takes a higher current from the mains (starting current) than it will consume after having reached the operating point. The great current density in the coiled-coil filament with much heat development results in bright incandescence, that is to say in the generation of visible light.

Increased voltages lead to increases in the luminous flux but reduce the service life of the bulb considerably. For example: If the mains voltage rises by 5 %, the service life of the bulb falls to about 55 %, the luminous flux being increased by 20 %. Bulbs are produced of an efficiency up to 2000 W.

Use

- For illuminating purposes

In local lamps, decoration lamps, domestic lighting fittings, lighting fittings for purposes of representation and in technical lamps. Use for industrial purposes was much limited for energetic reasons in favour of the discharge lamps.

- For advertisement and illumination

Here, it is the luminous effect that counts, the light power is of secondary importance. The professional use of such lamps requires knowledge in the field of light effects such as colour stimulation, blending of colours, colour suppression.

Hints to practice

Do not put bulbs into lighting fittings with fatty or sweaty hands. Vibrations in general and shock especially have to be avoided when bulbs are in operation.

With frequent defects of bulbs the mains voltage has to be checked - overvoltages. See also way of acting.

The wear of the tungsten filament requires a replacement of the bulb after the rated lamp life has expired even if it has not become defect by that time. (The energy consumption increases the older the bulb grows).

For a correct order the following bulb details are required: Rated voltage, power rating in watt and/or luminous flux in lumen, type of base and bulb and/or special wishes such as silvering, colour or ornament glass.

In recent time, the development in the field of bulbs has been intensified. Tungsten-halogen lamps - also in the range of low voltages - have been used more and more. Compact and tubular lamps, too, are used frequently. The trend goes towards a lamp of high light power and little energy consumption. Spot lights are often designed on the basis of a low-voltage halogen lamp operated through a small transformer in an E 27 lamp base. The service life is remarkably longer than with traditional lamps.

5.2.2. Shaped Lamps for Technical and Decorative Purposes, Tube Lamps

This group of lamps includes bulb lamps 15 and 25 W, drop lamps 25 to 40 W and large candle lamps 15 to 60 W. These lamps are used for decorative lighting purposes, for smallest lighting fittings as well as for the illumination of refrigerators and switching plants.


Figure 19. Pear-shape lamps


Figure 20. Drop-shape lamps


Figure 21. Large candle lamps

Similar in construction are tube lamps from 15 to 25 W, which are used in various versions as control lamps, sewing machine lamps as well as in small local and decoration lamps.


Figure 22. Tube lamps

5.2.3. Projection Lamps

With projection lamps, the correlation of light efficiency and service life with thermal radiators is applied in favour of the luminous flux. For illumination engineering only a few types are important, among others the A projection lamps the average service life of which amounts to 300 h. The burning position of these lamps has also to be taken into consideration.


Figure 23. Projection lamps

1 length of lamp
2 diameter of lamp

5.2.4. Halogen-Filled Incandescent Lamps

Halogen-filled incandescent lamps due to their way of functioning must be made of quartz glass or hard glass. When using these lamps make sure that certain admissible temperature limits at some parts of the lamps as well as the given burning position are observed.

The main characteristics of the halogen-filled incandescent lamps are:

- Small dimensions
- No bulb blackening
- Constant luminous flux
- Constant colour temperature
- Colour temperature up to 3400 K
- Longer service life
- Higher luminous flux.

Halogen-filled incandescent lamps are prevailing in the fields of film and photo shooting, lighting fittings for motor vehicles, floodlighting and with slide and narrow-gauge film projectors.

Hints to practice

Projection lamps and halogen-filled incandescent lamps are manufactured in the range of 1000 to 5000 W and, according to type, achieve luminous fluxes up to 125.000 lm in the high-voltage range of 225 V.

With the operation of these lamps, the prescribed burning position must be observed by all means.

In any case, the instructions of the manufacturer have to be considered.

5.3. Discharge Lamps

5.3.1. Low-Pressure Lamps

By this term a low power density in the entire discharge space is understood, i.e. the discharge is distributed over the full cross section.

The most important representatives of this group of light sources are the fluorescent lamps and the low-pressure sodium vapour lamps.

5.3.1.1. Tubalar Fluorescent Lamps

Forms


Figure 24. Fluorescent lamps (rod-shape)

- Rod-shaped lamp with bipin caps of 16, 26, 32 and 38 mm in diameter

- Rod-shaped lamp with single-pin caps of 38 mm in diameter (rapid-start lamp)

- U-shape with bipin caps, 26 and 38 mm in diameter


Figure 25. Fluorescent lamps (U-shape)

- Ring-shaped lamp with external ring diameters of 216, 311 and 413 mm and tube diameters of 29 and 32 mm

- Twin tube lamps with the caps G 23, G 24d-1, G 24d-2, G 24d-3, and 2 G11, a tube diameter of 13 mm and a power range of 5 to 36 W.


Figure 26. Twin-tube lamp

Table 16. Utilization factors

Type of ill.

Luminous emittance

K

(Rho in %) for ceiling




70

50

30




(Rho in %) for wall




50

30

10

50

30

10

50

30

10




Utilization factor of the room (Eta)

Direct

0

1

0.20

0.17

0.15

0.20

0.17

0.15

0.20

0.17

0.14



1.2

0.24

0.20

0.17

0.23

0.20

0.17

0.23

0.20

0.17



1.5

0.28

0.24

0.21

0.27

0.24

0.21

0.27

0.24

0.21



2

0.33

0.30

0.27

0.33

0.30

0.27

0.32

0.29

0.27



2.5

0.37

0.34

0.31

0.37

0.33

0.31

0.36

0.33

0.31


75

3

0.40

0.37

0.35

0.40

0.37

0.35

0.39

0.37

0.35



4

0.45

0.42

0.40

0.44

0.42

0.40

0.44

0.42

0.40



5

0.48

0.46

0.44

0.47

0.45

0.44

0.47

0.45

0.44



6

0.50

0.48

0.46

0.49

0.48

0.46

0.49

0.48

0.46



8

0.53

0.51

0.50

0.52

0.51

0.50

0.52

0.51

0.50


75

10

0.55

0.54

0.53

0.55

0.54

0.53

0.54

0.54

0.53

Mainly direct

18

1

0.19

0.15

0.13

0.18

0.15

0.13

0.17

0.14

0.12



1.2

0.22

0.18

0.16

0.21

0.18

0.15

0.20

0.17

0.15



1.5

0.26

0.22

0.20

0.24

0.21

0.19

0.23

0.20

0.18



2

0.31

0.28

0.25

0.29

0.26

0.24

0.28

0.25

0.23



2.5

0.35

0.32

0.29

0.33

0.30

0.28

0.31

0.29

0.27


83

3

0.38

0.35

0.32

0.36

0.33

0.31

0.33

0.31

0.30



4

0.42

0.39

0.37

0.40

0.38

0.36

0.38

0.36

0.34



5

0.45

0.43

0.41

0.42

0.41

0.39

0.40

0.39

0.37



6

0.47

0.45

0.43

0.44

0.43

0.42

0.42

0.42

0.40



8

0.50

0.48

0.47

0.48

0.46

0.45

0.45

0.44

0.43


65

10

0.52

0.51

0.50

0.49

0.48

0.48

0.47

0.46

0.45

Uniform

40

1

0.13

0.10

0.08

0.12

0.09

0.07

0.06

0.06

0.05



1.2

0.16

0.13

0.10

0.14

0.11

0.09

0.08

0.07

0.07



1.5

0.19

0.16

0.13

0.17

0.14

0.12

0.10

0.09

0.09



2

0.23

0.20

0.17

0.20

0.17

0.15

0.13

0.12

0.12



2.5

0.26

0.23

0.20

0.22

0.19

0.17

0.15

0.14

0.14


83

3

0.28

0.25

0.22

0.24

0.21

0.19

0.16

0.16

0.16



4

0.32

0.29

0.26

0.27

0.25

0.23

0.19

0.19

0.19



5

0.34

0.31

0.29

0.30

0.27

0.25

0.22

0.21

0.21



6

0.36

0.33

0.31

0.31

0.29

0.27

0.23

0.23

0.23



8

0.38

0.36

0.34

0.34

0.32

0.30

0.26

0.26

0.26


43

10

0.40

0.38

0.36

0.35

0.34

0.32

0.28

0.28

0.28

Mainly in direct

60

1

0.12

0.09

0.08

0.09

0.07

0.06

0.04

0.04

0.04



1.2

0.14

0.12

0.09

0.11

0.09

0.08

0.05

0.05

0.05



1.5

0.17

0.15

0.12

0.14

0.12

0.10

0.07

0.07

0.07



2

0.21

0.18

0.16

0.16

0.14

0.13

0.09

0.09

0.09



2.5

0.23

0.21

0.19

0.19

0.17

0.15

0.11

0.11

0.11


82

3

0.25

0.23

0.21

0.20

0.18

0.17

0.12

0.12

0.12



4

0.28

0.26

0.24

0.23

0.21

0.19

0.14

0.14

0.14



5

0.30

0.28

0.27

0.24

0.23

0.21

0.16

0.16

0.16



6

0.32

0.30

0.28

0.25

0.24

0.23

0.17

0.17

0.17



8

0.34

0.33

0.31

0.27

0.26

0.25

0.19

0.19

0.19


22

10

0.35

0.34

0.33

0.28

0.27

0.26

0.20

0.20

0.20

Indirect

80

1

0.11

0.09

0.07

0.08

0.06

0.05

0.05

0.04

0.03



1.2

0.13

0.11

0.10

0.09

0.08

0.07

0.05

0.05

0.04



1.5

0.16

0.14

0.12

0.11

0.10

0.08

0.06

0.06

0.05



2

0.19

0.17

0.16

0.14

0.12

0.11

0.08

0.07

0.06



2.5

0.22

0.20

0.18

0.15

0.14

0.13

0.09

0.08

0.07


80

2

0.24

0.22

0.20

0.17

0.15

0.14

0.10

0.09

0.08



4

0.26

0.25

0.23

0.19

0.18

0.17

0.11

0.10

0.10



5

0.28

0.27

0.26

0.20

0.19

0.18

0.12

0.11

0.11



6

0.29

0.28

0.27

0.21

0.20

0.19

0.12

0.12

0.11



8

0.31

0.30

0.29

0.22

0.21

0.21

0.13

0.13

0.12


0

10

0.32

0.31

0.30

0.23

0.22

0.22

0.13

0.13

0.13

Efficiency (See Table 15)

Colours

The manufacturers of light sources have their own colour designations and appertaining code numbers. At present, there is no international standard in this field. The below selected examples shall demonstrate three national colour designations.

Table 17. Survey of three national determinations of colour (arranged according to colour temperature)

Colour

Colour temperature (K)

Producer country

Characteristic

Warm tone Extra

2700

FRG

82

Warm tone Extra de Luxe

2700

FRG

92

Intima de Luxe

2700

Hungary

F271

Warm white

2900

GDR

30

Warm white de Luxe

2900

GDR

31

Warm white

2900

Hungary

F29

Warm white de Luxe

2900

Hungary

F32

Warm tone

3000

FRG

83

Warm tone de Luxe

3000

FRG

93

Special de Luxe

3000

Hungary

F301

White de Luxe

3800

FRG

94

White

4000

FRG

84

White-Universal

4000

FRG

25

Natural white de Luxe

4000

Hungary

F62

Neutral white de Luxe

4100

GDR

21

Neutral white

4300

GDR

20

Universal white

4300

Hungary

F25

White

4300

Hungary

F33

White de Luxe

4300

Hungary

F34

Daylight de Luxe

5000

FRG

95

Daylight

6000

Hungary

F7

Daylight white

6500

GDR

10

Cold daylight

6500

Hungary

F72

Red


FRG

15

Red


GDR

94

Red


Hungary


Pink


Hungary


Orange


Hungary


Yellow


FRG

16

Yellow


Hungary


Green


FRG

17

Green


GDR

92

Green


Hungary


Blue


FRG

18

Blue


GDR

91

Blue


Hungary


Lumoflor


GDR

81

The above comparison of various manufacturers of tubular fluorescent lamps shows how difficult it is to realize certain definite aims of illumination only starting from the colour designation. For this purpose, the documentations of the manufacturers are absolutely necessary.

Starting aids, starting mechanisms

Tubular fluorescent lamps need starting aids. Without that the fluorescent lamp cannot be operated.

- Starter for separate switching
- starter for tandem switching
- Electronical starter

Starterless operation is enabled by rapid lamps. Here, the starting aid is a special series-reactor switching device as well as a conductive ignitionstrip alongside of the lamp.

Series reactors

They are required to supply a sufficient ignition voltage and to reduce the mains voltage to the lamp voltage.

There are:

- Inductive series reactors (separately for each lamp power)

- Transistor series reactors (for tubular fluorescent lamps for operation with 12 or 24 V direct current voltage)

- Electronic series reactors (for flicker-free start without starter, GS-operation, light control etc.)

Way of acting

After connection of the lamp, a glow discharge takes place in the starter heating up the bimetal which is situated in the starter. This bimetal bends due to the heat and closes the lamp circuit. Then, the tungsten electrodes are heated up and stimulated to emit electrons. Thus the internal space of the lamp is ionized. Simultaneously, a magnetic field is induced by the current that flows through the ballast. Meanwhile, no glow discharge took place in the starter, the bimetal cools down and opens the circuit. By this, the field of force collapses in the ballast, the lines of force intersect the bobbin inducing a high voltage (up to 1300 V). This voltage is able to overcome the ionized internal space of the lamp from electrode to electrode.

It comes to a gas discharge. The fluorescent layer is stimulated to emit light. After ignition, the ballast fulfills the function of a variational resistor. A portion of the mains voltage drops over the ballast, it remains the portion which is fed into the lamp as operating voltage. The ballast also limits the operating current to the permissible value of the lamp current.

For this reason, only one ballast is allowed to be used for the lamp, which corresponds to the lamp current. Fluorescent lamps can also be operated by direct current voltage, if the lacking a.c. resistance is replaced by an ohmic resistance and the lamp is pole-changed from time to time with the help of an intermediate switch.

Use

Today, fluorescent lamps are used for many purposes. As far as suitable lighting fittings are available, the existing lamp colours and performance parameters allow the use of fluorescent lamps for almost all and every lighting purpose. By the creation of electronic ballasts, the disturbing flickering and dangerous stroboscopical effect of the fluorescent light is eliminated.

However, with the use of fluorescent lamps psychological aspects must be considered, because certain branches of the food, textile and paint industries as well as artistic fields such as painting and graphic arts can make only limited use of fluorescent light due to colour falsification, shadelessness and so on.

Man is emotionally stimulated by colours and coloured light, that is to say, emotions can be influenced. These problems were only very little touched by the bulb.

New in the range of fluorescent lamps are black-light lamps for special effects or detection of colour falsification in paintings, the baby-blue lamp for combatting jaundice with babies as well as the germicid lamp which is used for degerming the air. The lumoflor lamp is used for the acceleration of plant growth.

Hints to practice

The best ambient temperature for fluorescent lamps is 25° centigrade. With increasing ambient temperature, the service life of the fluorescent lamp decreases.

Since the fluorescent lamp is operated by means of inductive ballast, it is an inductively loaded collector that imposes the required blind power on the network, i.e. on all supply lines.

The network can be relieved to a great extent by compensation capacitors which store the required blind power. The following reference values are applicable to fluorescent lamps:

- Power group

13 to

20 W = 3 microfarad

- Power group


36 W = 4 microfarad

- Power group


65 W = 7 microfarad

For interference suppressing (elimination of radio interference), suppressor capacitors of 0.022 microfarad/250 C are connected in parallel per lamp at the lamp feeding point (illuminator entrance). Fluorescent lamps are connected as follows:

- Single connection (classical version)


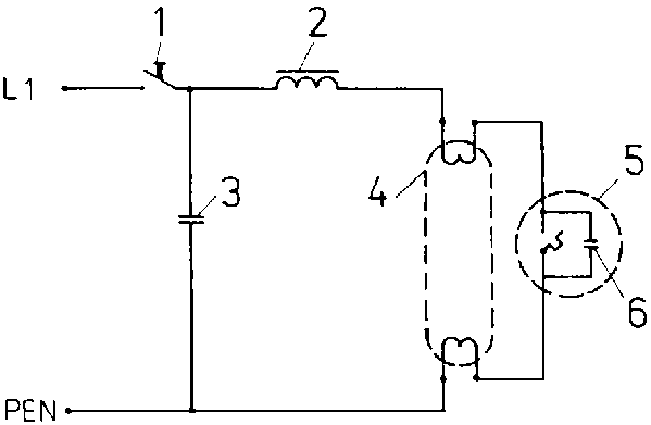
Figure 27. Separate switching of fluorescent lamps

1 switch, 2 series reactor, 3 compensation capacitor, 4 fluorescent lamp, 5 starter, 6 anti-interference capacitor

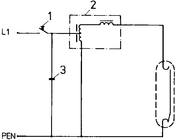
- Tandem connection


Figure 28. Tandem switching of fluorescent lamps

1 switch, 2 series reactor, 3 fluorescent lamps, 4 starter, 5 compensation capacitor

- Rapid connection


Figure 29. Rapid switching of fluorescent lamps

1 switch, 2 series reactor, 3 compensation capacitor

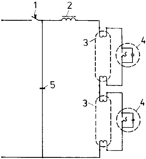
In addition to these commonly used connections, the below mentioned connection is used:

- Twin-lamp circuit


Figure 30. Dual lamp circuit of fluorescent lamps

5.3.1.2. Sodium Vapour Lamps

Low-pressure sodium vapour lamps, at the time being, have the greatest light efficiency: 183 lm/W. The light efficiency of these lamps is bound to a certain discharge temperature (therefore, a heat reflecting protectice glass is used which keeps the discharge tube at a favourable temperature).

The light is monochromatic yellow, so that no colour seeing is possible. The body colours appear only as shades of grey.

Low-pressure sodium vapour lamps are used in special fields of outdoor lighting such as: express motor roads, trunkroads, crossings, tunnels, waterways, docks and wharves, protection of buildings and/or sites.

Special advantages:

- Best possible penetration of fog and smoke
- Long useful burning life

Shape:

- Tube

Base:

- BY 22

Power and efficiency:

- Electrical 35, 55, 90, 135 and 180 W
- Light 4800, 8000, 13500, 22500 and 33000 lm

Table 18. Supra-national comparison of sodium vapour lamps (arranged according to their rated lamp power and luminous flux)

Power (W)

Voltage (V)

Luminous flux (lm)

Lamp base

Producer Hungary

country






FRG

GDR

35

120

2250

E26

x



50

220

3300

E27


x


50

220

3700

E27



x

50

120

4000

E26

x



54

220

4000

E27


x


70

220

5800

E27


x


70

220

6000

E27



x

70

120

6300

E26

x



72

220

6500

E27


x


100

120

9500

E26

x



100

220

10000

E40


x


112

220

10500

E27


x


150

220

15000

E40



x

150

120/220

16000

E26/E40

x



150

220

16000

E40


x


210

220

18000

E40


x


250

220

21000

E40

x



250

220

25000

E40


x


250

220

27000

E40



x

350

220

43500

E40


x


392

220

47000

E40


x


400

220

38000

E40

x



400

220

47000

E40


x


400

220

48000

E40



x

960

220

125000

E40


x


1000

220

120000

E40


x


5.3.2. High-Pressure Lamps

This group includes high-pressure mercury vapour lamps, halogen metal-vapour lamps, and high-pressure sodium vapour lamps.

5.3.2.1. Mercury-Vapour Lamps

High-pressure mercury vapour lamps thanks to their specific advantages have become the preferred kind of lamps for outdoor lighting. The permanent improvement in the quality of colour rendition and the advantages of a great luminous flux per lamp unit contributed to the introduction of these lamps also into many fields of indoor lighting.

The light efficiency of high-pressure mercury vapour lamps is between 40 and 60 lm/W.


Figure 31. High-pressure mercury lamp

Construction

- Exterior glass bulb ellipsoid or fungiform transparent or inside-coated with or without reflecting layer

- Internal quartz bulb (also called burner) with sealed-in electrodes and auxiliary electrodes

- Base

E 27/30; E 40/45

- Burner

The burner together with the ignition resistors is suspended in a holding element in the exterior bulb.

The space between the burner and the exterior bulb is air-thinned.

Way of acting

If and when an operating voltage is applied, a glow discharge takes place between the auxiliary and main electrodes which results in the development of heat. The heat leads to the evaporation of the quantity of mercury which is situated in the burner as well as to an increase in pressure in the burner in general. The ignition resistors - see circuits - limit the ignition current. The evaporated mercury renders the entire internal space of the burner conductive. A discharge between the main electrodes takes place. Heat and pressure continue to grow up to the point when the mercury vapour settles as a metallic deposit on the internal side of the burner. The discharge arc between the two main electrodes stands now and is stable. The light produced by it leaves the burner with a great proportion of UV.

The external glass bulb filters the detrimental ultraviolet radiation and - by means of its internally deposited fluorescent coating transfers the radiation of the burner into visible light.

The air-thinned internal space of the lamp keeps the operating temperature nearly constant.

In case of an interruption of current the lamp goes out until the internal pressure of the burner on the basis of the mercury deposited on the internal wall of the burner allows a new evaporation. The ignition process starts again. The initially great starting current is limited on the one hand by the ballast and on the other hand by the increasing burner resistance. After approximately 4 to 5 minutes the lamp has achieved its nominal values and an operating pressure of approximately 8 to 10 at in the burner.

Circuit


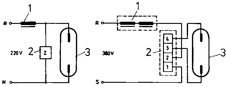
Figure 32. Circuit of the high-pressure mercury lamp

1 secondary electrode, 2, 4 ignition resistor, 3 burner, 5 main electrode, 6 external bulb, 7 series reactor, 8 switch, 9 compensation capacitor, 10 lamp

Hints to practice

The burner position is any you like. The lamp parameters, however, apply to the burner position ‘vertical’ (base on top). With horizontal position only 97 % of the luminous flux are achieved.

The lamp is nearly independent of ambient temperatures and therefore is ideal for open-air installation. The lamp life is between 5000 and 10.000 hours.

Table 19. Supra-national comparison of high-pressure mercury vapour lamps (arranged according to their rated lamp power and luminous flux)

Power (W)

Luminous flux (lm)

Lamp base

Producer country




GDR

FRG

Poland

50

1800

E27

x



50

2000

E27


x


80

3400

E27

x



80

4000

E27


x


125

5300

E27



x

125

6000

E27

x



125

6500

E27


x


250

11500

E40



x

250

13000

E40

x



250

14000

E40


x


400

20000

E40



x

400

23000

E40

x



400

24000

E40


x


700

36000

E40



x

700

40000

E40


x


700

42000

E40

x



1000

52000

E40



x

1000

57000

E40

x



1000

58000

E40


x


2000

125000

E40


x


Clear-glass bulb lamps are used for copying machines (heliographic printing).

For outdoor lighting, high-pressure reflecting lamps are used. In indoor lighting, lamps with elliptic bulbs with oxidic internal reflector are used. The coating of the external bulb can have different colour variants.

Special attention has to be paid that high-pressure mercury lamps in no case are operated without external bulb, that is to say the burner alone. The UV-light which leaves the burner destroys the retina of the human eye.

In fields where a light failure of several minutes may cause an accident equal filament lamps have to be installed in addition to the high-pressure mercury vapour lamps (mixed light). The lamp should be suspended at such height that dazzling by direct light incidence is avoided.

The high-pressure mercury vapour lamps must be compensated because of their inductive power.

When several lamps are used attention has to be paid to a symmetrical network distribution. Compensation capacitors are assigned as follows:

50 W: 7 microfarad/220 V
80 W: 8 microfarad/220 V
125 W: 10 microfarad/220 V
250 W: 18 microfarad/220 V
400 W: 25 microfarad/220 V
700 W: 40 microfarad/220 V
1000 W: 50 microfarad/220 V
2000 W: 50 microfarad/220 V

5.3.2.2. Halogen Metal Vapour Lamps

Halogen metal vapour lamps, by their great light efficiency of 75 to 90 lm/W, the great luminous flux concentration and good colour rendition, are of increasing importance in lighting engineering in the fields of colour television and colour film.

Table 20. Supra-national comparison of halogen metal vapour lamps (arranged according to their rated lamp power)

Power

Luminous flux (lm)

Lamp base

Producer country




FRG

GDR

Hungary

75

5200

G12

x



100

6300

E27


x


150

12000

G12

x



175

12600

E40


x


245

17000

E40

x



250

19000

E40


x


250

20000

Fc2

x



380

32000

E40



x

390

31500

E40

x



400

32000

E40


x


965

81000

E40

x



1000

90000

E40


x


1900

180000




x

1900

183000

E40

x



1960

189000

E40

x



2000

210000




x

Construction

The structure of halogen metal vapour lamps, in its essence, is similar to that of the high-pressure mercury vapour lamps. The lamps have a tube-shaped or elliptic clear-glass external bulb.


Figure 33. Halogen metal vapour lamp

Some kinds of these lamps have a layer of luminescent material which, among others, serves to adapt the luminance and light distribution to that of the high-pressure mercury vapour lamps.

By admixing certain additional luminescent materials to the high-pressure mercury discharge in the form of metallic halides the gaps in the mercury spectrum are filled, which explains the great light efficiency and good colour rendition of these lamps.

Admixtures are - according to the respective type of lamp - iodides of sodium (Na), thallium (TI), indium (In) and lithium (Li).

Halogen metal vapour lamps are characterized by a very adaptable spectrum. Among others, for example, lamps can be manufactured emitting radiation only in the green or blue colour ranges.

Way of acting

Halogen metal vapour lamps need approximately 2 to 3 minutes till they achieve their electrical and technical characteristic values. The restarting time is about 10 to 15 minutes. In view of the restarting time of 10 to 15 minutes, it is recommendable to operate the lamps through time-delayed relays. These relays disconnect the operating voltage in the case of short voltage failure which extinguishes the lamp and reconnect it only after the time mentioned. This preserves the ignition mechanism.

Circuit

Halogen metal vapour lamps are operated by alternating current voltage of 220 V for lamps up to 400 W and by 380 V for lamps from 1000 to 2000 W at a voltage tolerance of 5 %. With colour film or colour television shooting the tolerance of +- 10 V should not be exceeded in order to keep up the quality of colours. In addition to the ballast, an ignition is required to start the discharge. For this purpose, starter ignition sets as well as a thyristor ignition set are used.


Figure 34. Circuit of halogen metal vapour lamps

1 series reactor, 2 ignition set, 3 lamp

Hints to practice

The burner position of the lamp is any you like. An exception is only the horizontal position with a deviation from position of maximally +- 2 %.

The luminous flux is independent from the ambient temperature.

Lamps for vertical position of use have approximately 5 % greater luminous fluxes. Changes in network voltage cause colour changes of the lamp, for instance, undervoltages tend to the blue-green range of colour, overvoltages to the yellow-orange one.

That means that the colour temperature changes!

The service life is between 1000 and 6000 hours, according to the type of lamp.

Compensation capacitors are assigned as follows:

175 W: 18 microfarad/220 V
250 W: 18 microfarad/220 V
400 W: 25 microfarad/220 V
1000 W: 30 microfarad/380 V
2000 W: 50 microfarad/380 V

5.3.2.3. Sodium Vapour Lamps

High-pressure sodium vapour lamps have gained international importance within a relatively short time. Mainly, this is the result of the great light efficiency values compared with other high-pressure discharge lamps - with some types it is more than 100 lm/W. Taking the respective conditions of use into consideration, very economical lighting solutions can be found with the help of these lamps. For example, the luminous flux of a high-pressure sodium vapour lamp of 250 W is equal to that of a high-pressure mercury vapour lamp of 400 W.

Another advantage in addition to the great light efficiency consists in the little decrease of the luminous flux in the course of the lamp life.


Figure 35. High-pressure sodium vapour lamp

Construction

- External glass bulb

Ellipsoid-shaped clear or coated

- Polycristalline alumina discharge enclosure

It contains sodium, mercury and a noble gas filling.

- Interspace between external bulb and discharge enclosure

Is air-rarefied.

- Base

E 40

Way of acting

The starting time is 4 to 5 minutes. Reignition is possible after 1 minute already.

This lamps needs a series reactor and a starting set for being started.

After application of the network voltage, the starting set gives ignition pulses to the discharge enclosure (approximately 1500 V). After ignition, a bimetal switches a the starting set off. In the discharge enclosure, the temperature rises to 1200 degrees centigrade and a pressure develops of approximately 13000 Pa. The most similar colour temperature is 2100 K.

Circuits


Figure 36. Circuit of high-pressure sodium vapour lamps

1 switch, 2 compensation capacitor, 3 series reactor, 4 ignition set, 5 lamp, 6 ignition lead

Hints to practice

This lamp should be used as follows:

- Street lighting
- Building floodlighting
- Lighting of pedestrian crossings and car parks
- Port installations
- Container stations
- Railway trackages
- Large building sites
- Open-air industrial areas
- Sports fields.

In the field of indoor lighting, this lamp can be used for foundries, cement works, storing and assembly halls. The lamp must be compensated. The following values are recommended:

175 W: 25 microfarad/220 V
250 W: 33 microfarad/220 V
400 W: 50 microfarad/220 V

The service life amounts to approximately 8000 hours.

The burning position is any you like. The luminous flux depends on the ambient temperature.

Questions for repetition and knowledge tests

1. How are the light sources categorized?

2. What forms, diameters and performances do low-pressure fluorescent lamps have?

3. How can fluorescent lamps be started?

4. What are the most commonly used lamp circuits?

5. What are the tasks of the series reactor?

6. What are the advantages of the low-pressure sodium vapour lamp?

7. What is the structure of the high-pressure mercury vapour lamp? (The structure has to be described from inside outwards.)

8. What are the advantages and disadvantages of a high-pressure mercury vapour lamp?

9. If the light emitted by a metal-vapour halogen lamp tends much to the blue-green range, this is traceable to a technical mistake. Name the mistake!

10. Describe the structure of a high-pressure sodium vapour lamp from inside outwards.

TO PREVIOUS SECTION OF BOOK TO NEXT SECTION OF BOOK

CD3WD Project Donate