Back to Home Page of CD3WD Project or Back to list of CD3WD Publications

CLOSE THIS BOOKStairmaking - Course: Timberwork techniques. Trainees' handbook of lessons (Institut für Berufliche Entwicklung, 33 p.)
VIEW THE DOCUMENT(introduction...)
VIEW THE DOCUMENT1. Purpose of Stairs
VIEW THE DOCUMENT2. Types of Straight Wooden Stairs
VIEW THE DOCUMENT3. Stair components
VIEW THE DOCUMENT4. Taking off Dimensions at the Stairwell
VIEW THE DOCUMENT5. Calculations for Stairmaking
VIEW THE DOCUMENT6. Assembly of the Stair Components
VIEW THE DOCUMENTList of symbole and technical terms used in stairmaking

4. Taking off Dimensions at the Stairwell

Two different types of dimensions are taken off at the stairwell: layout dimensions (plan view) or height dimensions. Wooden staircases may also be built in between solid ceilings. In that case, the surface of the bare ceiling is decisive instead of the surface of the stair-apron (see Fig. 28).

Taking off layout dimensions

The size of the existing or planned opening for the staircase is transferred from the upper floor-ceiling by plumbing.

The plumb points are marked on the lower floor-ceiling and then connected by means of a straightedge (straight, parallel, planed board of 20 - 30 mm thickness, 140 mm width and 2000 - 3000 mm length). A marking-out drawing is drawn.


Figure 25 - (1) Transferring of dimensions to the lower floor-ceiling (2) Connecting of marked points with the straightedge - 1 plumb cord, 2 marked point, 3 plumb body, 4 opening in the upper floor-ceiling, 5 applied straightedge, 6 pencil, 7 upper floor-ceiling, 8 lower floor-ceiling, 9 straightedge

The squareness of the stairwell is checked on the lower floor-ceiling. A self-made builder's square, joined by means of the proportional numbers 3:4:5 and nailed, is used for this purpose.


Figure 26 - A builder's square - 1 longer, straight strip for true alignment, 2 shorter, straight strip for true alignment, 3 strip for stiffening (bracing) the two straight strips, 4 nail

All dimensions taken off are written into a hand-sketch.

Checking of squareness

The angle between the stair flight range and the range at the stair head in the main landing or half-landing is checked. If the two ranges are not square with each other, the right angle is prescribed.


Figure 27 - (1) Checking of squareness of the stairwell - 1 builder's square, 2 applying the square to the stair flight range, 3 border of the upper floor-ceiling, 4 squareness with the stair flight range, 5 squareness of the wall corner - (2) Determination of the size of the stairwell 2 stair flight range, 4 right (square) angle with the stair flight range, GB stairwell width, GL stairwell length

Prescribing of the right angle is based on the stair flight range and the smallest size of the stairwell length is written into the hand-sketch.

When the finished staircase is built in, the difference can be made-up (padded with wood) at the stair apron.

Taking off height dimensions at the stairwell

In this connection it is important to know whether the height dimensions are to be taken off at stairwells with or without half-landing. The height dimensions take priority for the calculation of the ratio of rise and tread because the staircase to be manufactured is to be built in between the landings with finished floor with a height of rise of s = 200 mm. This means that the height dimensions in the stairwell are not in any case equal to the dimensions for the stair flight height.


Figure 28 - Connection between stairwell height and stair flight height - (1) with wood joist ceiling (2) with solid ceiling - 1 upper stair-apron, 2 lower stair-apron, 3 upper solid ceiling, 4 lower solid ceiling, 5 surface of finished floor, 6 surface of upper stair-apron, 7 surface of lower stair-apron. 8 surface of upper bare ceiling (solid ceiling), 9 surface of lower bare ceiling - GH stairwell height, Lh stair flight height

The staircase must be built in between the landings with finished floor. Therefore the stairmaker must know the floor construction of the two landings.

The size for the stair flight height results from the following consideration:

Lh = Gh - d1 + d2

(Formula 11)

Gh = stairwell height between two landings of different levels


d1 = floor thickness of the bottom landing


d2 = floor thickness of the top landing


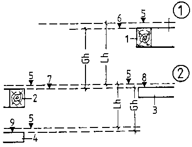
Taking off height dimensions without half-landing

The perpendicular height between the surfaces of the stair-aprons or bare ceiling at the head and foot of the stairs to be built in is measured. The stair flight height is then determined applying formula 11.


Figure 29 - Taking off height dimensions without half-landing - 1 bottom landing, 2 top landing, 3 straightedge, 4 water level, - d1 floor thickness of bottom landing, d2 floor thickness of top landing Gh stairwell height, GL stairwell length, St gauge size, D difference size

The stair flight height thus determined is used for the calculation of the ratio of rise and tread.

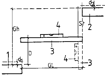
Taking off height dimensions with half-landing

Together with the height measurement, the length for the stair flights to be built in is determined.


Figure 30 - Taking off height dimensions with half-landing - 1 bottom landing {half-landing, 2 top landing (main landing) (upper floor-ceiling), 3 straightedge, 4 water level, 5 plumb cord, 6 plumb body, 7 bottom landing (main landing) (lower floor-ceiling), 8 straightedge serving as measuring batten at the same time, 9 batten to support the straightedge and serving as measuring batten at the same time, 10 measuring batten between the two floor-ceilings - D difference size, GHZ stairwell height at half-landing, GhG stairwell height between the floor-ceilings, GL stairwell length, gauge size

Sequence of operations:

- The plumb cord is fixed to the straightedge.

- The straightedge is put on the top apron.

The end, which the plumb cord is fixed to, is supported by a batten. The batten is held perpendicularly at the half-landing by a second person.

- A water level is put onto the straightedge and levelled by raising or lowering the batten at the half-landing.

- When the straightedge is exactly horizontal, the batten is pressed to the half-landing and the height marking is scribed.

- When the pendulum movement of the hanging plumb has stopped, the gauge size between the plumb cord and the front edge of the stair-apron is measured. At the same time the front edge of the top landing is scribed to the straightedge.

The two sizes, the gauge size and the size on the straightedge between the plumb cord and the front edge of the top landing, are the length of the stairwell.

- Measuring of the height of the stairwell between the two main landings. (Use a batten!) The scribed sizes on the battens 8, 9, 10 in Figure 30 can be measured with a folding rule!

- Checking whether the height of the half-landing (height with finished floor) will fit into the calculated ratio of rise and tread.

The half-landing with its finished floor must be located at a height of ns · s!

If this is not the case, the half-landing must be removed and built in again at the necessary height. If this is not done, the two stair flights within one storey will have a different ratio of rise and tread!

A different ratio of rise and tread within stairs with two apposed branches of flights (180 degrees turn) and landing must be avoided, otherwise climbing of such stairs is not safe!

The batten used for supporting the straightedge must be slotted on top to prevent the straightedge from slipping off.

Drawing the hand-sketch

A hand-sketch is to be drawn on a sheet of paper which need not be true to scale.


Figure 31 - Hand-sketch with stairwell dimensions written into it - 1 lower stair-apron, 2 upper stair-apron, 3 determined right angle, - D difference size, St gauge size

All dimensions taken off are to be written into such sketch. In the plan view length and width of the stairwell and in the elevation the height dimensions of the stairwell are to be shown.

On the basis of such sketch, the sizes for the stairs to be built will be determined and the ratio of rise and tread calculated.

Why must the dimensions of the drawing be compared with the dimensions of the stairwell?

____________________________________________________________________________________
____________________________________________________________________________________
____________________________________________________________________________________

TO PREVIOUS SECTION OF BOOK TO NEXT SECTION OF BOOK

CD3WD Project Donate