Back to Home Page of CD3WD Project or Back to list of CD3WD Publications

CLOSE THIS BOOKCentring, Drilling Counterboring and Countersinking, Reaming and Tapping on the Drilling Machines - Course: Techniques for machining of material. Trainees' handbook of lessons (Institut für Berufliche Entwicklung, 24 p.)
VIEW THE DOCUMENT(introduction...)
VIEW THE DOCUMENT1. Purpose of centring, drilling, counterboring and countersinking, reaming and tapping
VIEW THE DOCUMENT2. Kinds, construction and applications of drilling machines
VIEW THE DOCUMENT3. Kinds and construction of centring, drilling, counterboring and countersinking, reaming and tapping tools
VIEW THE DOCUMENT4. Clamping possibilities for workpieces and tools
VIEW THE DOCUMENT5. Preparation of work
VIEW THE DOCUMENT6. Centring, drilling and counterboring or countersinking
VIEW THE DOCUMENT7. Reaming and tapping

2. Kinds, construction and applications of drilling machines

In machine-tool building a distinction is made between the following kinds of drilling machines:

horizontal boring, drilling and milling machines

- table-type
- with cross-sliding column
- floor-type
- special-purpose boring machines
- machining centres

vertical drilling machines

- bench-type
- pillar-type
- box-type
- radial drilling machines
- coordinate drilling machines

In addition to this, various types of hand drills are used, mainly for assembly purposes.

Due to the machine inventory being made up mainly of vertical drilling machines of the pillar and box type the construction, mode of action and application of these types will be explained in greater detail in the following section.

Basic construction of the pillar and box-type drilling machines (box-column drilling machines):

The pillar drilling machine is of the round column type. The work-table is arranged to swivel and is, therefore, not provided with any additional support.


Figure 3. Pillar drilling machine (box-column drilling machine)

1 driving motor, 2 driving head, 3 round column with geared rack for height adjustment of the drilling-machine table, 4 column base, 5 drilling machine table with T-slots, 6 drilling spindle, 7 spindle head, 8 hand lever for manual feed

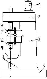
Compared with the pillar drilling machine the box-type drilling machine has a higher stiffness. Its column is prismatic. An inline arrangement (see Fig. 5) is possible and more economical.


Figure 4. Box-type drilling machine (box-column drilling machine)

1 driving motor, 2 driving head, 3 machine column, 4 column base, 5 drilling-machine table, 6 drilling spindle, 7 hand lever for feed, 8 spindle head


Figure 5. In-line multiple-spindle drilling machine

1 drilling-machine upper parts (work independently from each other), 2 drilling-machine table (vertically adjustable), 3 treadle as emergency switch, 4 column base

The cutting values (speed, feed) are set on pillar and box-type drilling machines by means of control panels. This is done, as a rule, via change-speed drives which must be operated when the machine is at rest or is slowing down.

Applications:

Stationary drilling machines (pillar and box-type drilling machines) are used for drilling as well as boring, counterboring or countersinking, reaming and tapping.

With compound table types even easy milling operations can be performed within the range of capacity. The machines are used in small-batch and medium-batch production as well as in assembly work and auxiliary processes.


Figure 6. Compound table

What kinds of stationary vertical drilling machines are used in machine-tool building?
__________________________________________________
__________________________________________________
__________________________________________________
__________________________________________________

What is the basic construction of a box-column drilling machine?
__________________________________________________
__________________________________________________
__________________________________________________

What applications does the vertical drilling machine have?
__________________________________________________
__________________________________________________
__________________________________________________

TO PREVIOUS SECTION OF BOOK TO NEXT SECTION OF BOOK

CD3WD Project Donate