Back to Home
Page of CD3WD Project or Back to list of CD3WD Publications
 |  |  | Circuits, Formulas and Tables Electrical Engineering - Basic vocational knowledge (Institut für Berufliche Entwicklung, 201 p.) |  |  | 6. Rectifier Circuits |  |  | 6.1. Rectifier Circuits of Alternating Current |  |  | 6.2. Rectifier Circuits of Three-phase Current |
|
Circuits, Formulas and Tables Electrical Engineering - Basic vocational knowledge (Institut für Berufliche Entwicklung, 201 p.)
6. Rectifier Circuits
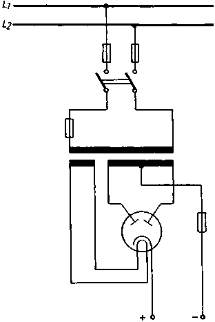
6.1. Rectifier Circuits of Alternating Current

half-wave rectification

full wave rectification
opposite-contact connection

full-wave rectification - bridge
connection

full-wave rectification - thermionic
rectifier in double-way
connection
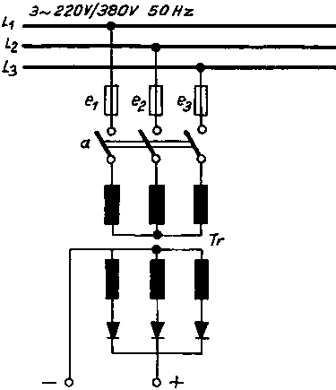
6.2. Rectifier Circuits of Three-phase Current

half-wave rectification

full-wave rectification - bridge
connection

full-wave rectification - transformer
with central
tapping
