Back to Home Page of CD3WD Project or Back to list of CD3WD Publications

CLOSE THIS BOOKSmall-Scale Weaving (ILO - WEP, 1983, 144 p.)
CHAPTER III. WEAVING TECHNOLOGIES
VIEW THE DOCUMENTI. Weaving fundamentals
VIEW THE DOCUMENTII. Loom types in relation to scale of production
VIEW THE DOCUMENTIII. Hand looms
VIEW THE DOCUMENTIV. Non-automatic power looms
VIEW THE DOCUMENTV. Automatic power looms
VIEW THE DOCUMENTVI. Shuttleless looms
VIEW THE DOCUMENTVII. Ancillary equipment
VIEW THE DOCUMENTVIII. Yarn requirements
VIEW THE DOCUMENTIX. Product quality
VIEW THE DOCUMENTX. Factory space requirements and layout

Small-Scale Weaving (ILO - WEP, 1983, 144 p.)

CHAPTER III. WEAVING TECHNOLOGIES

I. Weaving fundamentals

The classical method of weaving is essentially the insertion of a continuous length of weft-yarn from a shuttle which traverses to-and-fro across the warp sheet in the loom and leaves behind a trail of weft (pick) at each passage. Weaving involves three primary actions and two secondary ones These are briefly described below.

I.1 Primary actions

The three primary actions are: shedding, picking and beating up. They must be performed in strict rotation in all looms.

- Shedding

To form any weave structure, all warp threads under which a particular pick has to lie in the ultimate cloth are raised during the shuttle passage while all threads which the same pick has to pass over, are lowered. Thus, for each pick inserted, the individual warp threads are raised or lowered as dictated by the weave plan. The action of raising and lowering the warp threads in this way is known as “shedding” while the sheet opening so formed is called the “shed”.

- Picking

The action of passing the shuttle through the shed is called picking.

- Beating-up

Finally, after the insertion of each pick, the pick of weft itself has to be pushed forward by a ‘reed’ (a type of closed comb through which all of the warp threads are drawn) to a point adjacent to the previous pick, known as the ‘fell’, where cloth is thus formed. This third action is called ‘beating-up’.

I.2 Secondary actions

In addition to the primary actions, two secondary actions are necessary. However, the instant at which they are performed is at the discretion of the weaver in the case of simple hand-looms. On the other hand, strict control and timing in relation to primary motions is required for power looms.

- Taking up

This action involves the ‘taking-up’ of woven cloth as weaving proceeds so that the fell is maintained in the same position.

- Letting-off

This action involves the ‘letting-off’ of further warp from a beam at the back of the loom to replace that woven into cloth.

I.3 Woven structures

In the most simple form of woven structures, known as ‘plain weave’ (see Figure III.1(a)), a pick of weft passes under and over alternate warp ends from selvedge to selvedge. The next pick does the same, but in the reverse lifting order. Thus, a plain weave repeats on two ends and two picks. Simple variations in the order in which the ends and picks interlace produce numerous weaves which are known widely by names such as twills (Fig. III.1(b)), satin, matt-weaves, etc. The majority of such weaves can be elaborated and extended so that they repeat on many ends and picks, but there is often little to be gained in cloth strength or utility. However, they are used in cases where fancy weave effects are required. Consequently, the great majority of woven fabrics consist of the smallest repeat corresponding to the basic weave so that all can be woven on looms equipped with either simple (treadle operated) or mechanised (cam-operated) shedding motions.

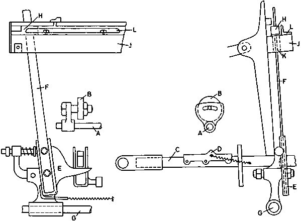
I.4 Basic loom elements

A simple frame hand-loom is illustrated in Figure III.2, while Figure III.3 shows the corresponding loom elements at the time of weft insertion. A similar side-view of a power-loom is shown in Figure III.4.

Figure III.1
Woven structures


(a) Plain weave


(b) 2 x 1 Twill weave


Fig. III.2 Simple frame loom


Fig. III.3 Loom elements at time of weft insertion

The loom-members which raise and lower the warp threads in simple weaves are known as ‘healds’. Each warp end is drawn through an ‘eye’ in its own heald, but all healds which are required to lift and fall in the exact same sequence throughout the weave repeat are often mounted on a single stave so that all are moved in unison. Thus, as many heald staves are required as there are different sequences of warp liftings and lowerings in the repeat. Thus, for plain weaves, a minimum of two staves are required, although in practice four staves are often used: two lifting and lowering as if they were one so as to avoid overcrowding of the heads on a single stave. A 3 x 1 twill, often used for denim cloth, requires 4 heald staves, as also does the very common 2 x 2 twill. On the other hand, 5 staves are necessary for weaving the smallest repeat of a true satin weave. Healds and reeds have limited life spans, and have to be replaced usually from specialist makers.

II. Loom types in relation to scale of production

This section analyses the choice of loom types in relation to the adopted scale of production. Detailed descriptions of the looms are presented in the next section.

Hand-looms with a fly shuttle, and in particular, those with treadle-power operation facilities, could meet small-scale production requirements of the fabrics considered in this memorandum. This, however, assumes that adequate means of mechanical warp preparation are available.

Power-looms of either non automatic or automatic types can be used for the three scales of production defined in Chapter I (respectively 100,000 m, 1,000,000 m and 5,000,000 m). However, in view of their high production capabilities, they would be fairly under-utilised at the single-day shift small-scale production level. On the other hand, a two-shift per day small-scale production level is likely to be more viable.

Details of the number of looms of the different kinds considered to meet each of the three levels of production are given in Table III.1

Table III.1
Loom Requirements

Cloth Ref No.

TYPE OF LOOM

CONDITIONS

Number of looms required


Hand-loom with fly-shuttle

Treadle-loom with fly-shuttle

Non-Auto. shuttle loom

Auto-pirn - change shuttle loom

Loom Speed picks/min

Loom running-efficiency
%

Annual production L, M or H

Day-shift only 3000 hr/yr

Two-shift working 5000 hr/yr

Three-shift working 7000 hr/yr

P1

X




40

50

L

45

27



X



80

75

L

15

9





X


180

85

L

6

4






X

180

92

L

6

4





X


180

85

M

59

35

25





X

180

92

M

54

33

23




X


180

85

H

291

175

125





X

180

92

H

269

161

115

P2

X




40

50

L

73

44




X



80

75

L

25

15





X


180

85

L

10

6






X

180

92

L

9

6





X


180

85

M

95

57

41





X

180

92

M

88

53

38




X


180

85

H

472

284

204





X

180

92

H

437

262

187

P3

X




40

50

L

89

54




X



80

75

L

30

18





X


180

85

L

12

7






X

180

92

L

11

7





X


180

85

M

117

70

50





X

180

92

M

108

65

46




X


180

85

H

582

349

249





X

180

92

H

537

323

231

P4

X




40

50

L

103

62




X



80

75

L

35

21





X


180

85

L

14

9






X

180

92

L

13

8





X


180

85

M

135

81

58





X

180

92

M

125

75

54




X


180

85

H

672

404

288





X

180

92

H

621

373

267

T1, T3,

X




40

50

L

67

40


T4


X



80

75

L

23

14





X


180

85

L

9

6






X

180

92

L

9

5





X


180

85

M

88

53

38





X

180

92

M

81

49

35




X


180

85

H

436

262

187





X

180

92

H

403

242

173

T2

X




40

50

L

50

30




X



80

75

L

30

10





X


180

85

L

7

4

3





X

180

92

L

7

4

3




X


180

85

M

66

40

28





X

180

92

M

61

37

26




X


180

85

H

327

197

141





X

180

92

H

302

182

130

III. Hand looms

The terms ‘hand-loom’ and ‘hand-woven’ have different connotations. It is therefore necessary to define hand-looms more precisely and, in doing so, place them in three different categories. These categories are:

(i) Looms in which the primary and secondary motions are co-ordinated manually, and in which picking is performed without a ‘fly-shuttle’;

(ii) Looms in which the primary and secondary motions are co-ordinated manually, but in which picking is performed with a fly-shuttle;

(iii) Looms in which both primary and secondary motions are co-ordinated mechanically, and which include a fly-shuttle mechanism which is also operated mechanically. Looms of this type can usually be power-driven if fitted with a motor, although when classed as a hand-loom they are driven by human power acting via a treadle system.

(a) Category (i) hand-looms

Looms in category (i) are quite unsuitable for bulk production of the fabrics listed in Table I.1, even at the ‘small-scale’ level of 100,000 metres per annum. Picking speeds are much too low, being often less than 10 picks/min and, consequently, labour and other costs - such as those for factory accomodation and for work in hand - would be too high to make it worthwhile. No further consideration to these looms has therefore been given.

(b) Category (ii) hand-looms

More promising could be the use of looms in category (ii) but only for the ‘small-scale’ level of production. This category of loom can meet the production target if weaving speeds of around 40 picks/min can be maintained. However, only skilled weavers can be expected to perform at this level. Furthermore, good warp and weft preparation, as outlined in Chapter II, would be necessary.

(c) Category (iii) hand-looms

Looms in category (iii) could certainly meet small-scale production levels, since they can be operated at appreciably higher speeds (e.g. 80 picks/min). However, the maintenance of such a speed over a long period of time is dependent on the weaver’s skills and the quality of warp and weft preparation. In addition, the amount of physical energy expended in weaving, in unfavourable climatic conditions, must certainly not be overlooked if this option is to be seriously considered.

III.1 Economics of hand-looms

Estimates of the numbers of looms which would be required to weave each of the fabrics considered are provided in Table III.1. These estimates are based on a loom running efficiency of 50% for category (ii) looms and 75% for category (iii) looms. It must be stressed that these values are estimates since they are based on assumed running efficiencies.

While category (iii) looms are more efficient, they are also much more costly than category (ii) looms. Some unconfirmed reports suggest the costs to be greater by a factor of 10.

More recently, a loom similar to category (iii) looms has been developed in Nepal. However, it does not have mechanical take-up and warp let-off facilities, but may be available at a lower comparative cost. If this information is correct, such a loom would be expected to be intermediate in running efficiency, and the number required for each cloth type would be roughly mid-way between those quoted for categories (ii) and (iii) looms.

III.2 Suitability of hand-looms for selected fabrics

Of the eight selected fabrics, five may be woven on well-maintained hand-looms of categories (ii) and (iii). The sheetings (P1) and (T2) and the denim (T1) may not be easily woven on such looms, but may also be woven on similar looms provided that the cloths are not too wide: cloths with a maximum width of 125 cm (50 in.). There is no theoretical reason why denim fabric (or any other similar coloured-warp fabric) should not also be woven on hand-looms. The difficulties arise in relation to yarn dyeing and warp preparation: it is doubtful that these operations can be carried out economically for ‘small-scale’ weaving of the kind envisaged. It must also be remembered that weavers’ warps of sufficient length to produce at least 100 metres of fabric would be necessary for producing the cloths at small-scale levels of production.

III.3 Technical aspects of hand-looms

For the purpose of this memorandum, hand-looms are broadly defined as those in which the primary driving energy is supplied by human power. The use of this rather wide definition enables the inclusion of looms in which a fly-shuttle is used and also those in which the three primary motions of shedding, picking and beating-up are linked together by mechanical means. Furthermore, it includes looms which not only incorporate the above additional features, but which also have mechanical means for the controlled/synchronised take-up of the woven cloth (by change-wheel gear train) and a negative (friction-band type) warp let-off motion. Clearly, a loom which contains all of these features would only require a motor-drive in order to be converted into a power-loom. This, of course, assumes that the loom framework and shaft bearings are adequate to withstand any additional loadings applied by the motor drive.

(a) Category (i) and (ii) hand-looms

Statistics for hand-weaving rarely, if ever, state the type of loom in use or even the manner in which the weft is inserted. This lack of information seriously limits the general usefulness of any such data. It is however almost certain that, on a worldwide basis, the number of hand-thrown shuttle looms (category (i)) far exceeds that of fly-shuttle looms (category (ii) and (iii)), notwithstanding those of modern origin advertised for craft-weaving purposes. Nevertheless, available information indicates that when the weft is inserted by hand-thrown shuttle in the weaving of cotton-type fabrics of nominally 1 metre width, picking speeds are most unlikely to exceed 20 picks/min and, more usually, are appreciably less than this. Weaving similar cloths on looms with a fly-shuttle, but without any of the other mechanical aids mentioned, could enable the weaver, if sufficiently skilled, to operate at speeds of up to 40 picks/min.

(b) Category (iii) hand-looms

In the case of looms in which the primary motions are coordinated mechanically, and which have a fly-shuttle but no continuous take-up and let-off systems, a relatively high picking rate may be achieved. This would be more so the case if some simple means to enable the weaver to operate the warp let-off from the front of the loom are incorporated. Furthermore, if the take-up and let-off are mechanically linked to the primary motions, the loom can then be foot-pedal operated. These features, if incorporated in a loom of improved structure and with good bearings, enable the loom to be operated at speeds which are claimed to be in excess of 80 picks/min. For how long at a time such speeds can be maintained in unfavourable climatic conditions is, however, a point not widely reported. Looms in this latter category are available, but some are known to be costly.

III.4 Hand-looms types and weaver skill

In terms of weaver skill, the manually coordinated hand-thrown shuttle loom demands the highest level of dexterity. Consequently, such skills may be expected to take longer to attain than those required for weaving on ‘semi-automatic’ hand-looms. This can be an advantage in favour of the latter looms in two respects, in addition to the higher productivity achieved by “semi-automatic” looms. Firstly, a weaver can be trained in a shorter period of time; secondly, the semiautomatic loom should enable the weaver to direct more attention to the quality of the fabric being woven. Consequently, fewer weaving faults should be made than is usual in the fully hand-woven fabric.

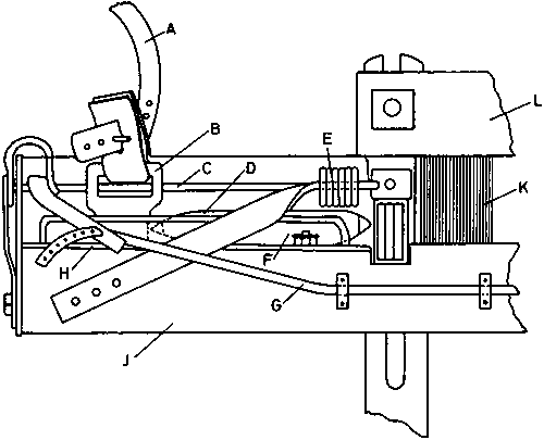
IV. Non-automatic power looms

The non-automatic shuttle loom (see Fig. III.4) is highly appropriate for large-volume and low-cost production textiles in low-wage countries. The term “non-automatic” can be misleading in that all power looms are completely automatic with regard to the basic weaving functions. A non-automatic power loom is “non-automatic” in the sense that, when the weft supply package in the shuttle becomes exhausted, it must be replaced manually.


Figure III.4 Lancashire type, non automatic over-pick loom

Very few non-automatic power looms have been manufactured and marketed during the past ten years, and very few machinery makers now list them in their catalogues. There are however, no doubt, many machinery makers who would be very pleased to resume the manufacture of low-cost non-automatic power looms if they were in demand. In many cases, the looms offered would be essentially automatic looms stripped of the automatic weft replenishment features. There is currently a large number of looms which were built as automatic looms but which are being operated, quite efficiently, as non-automatic ones in the less-developed countries. Most of them are of the shuttle-change type. Their conversion to non-automatic looms is done for economic reasons as the cost of manual weft replenishment is lower than the combined cost of (i) maintenance of the mechanism for automatic shuttle changing and (ii) expenditure on the much greater number of shuttles needed when automatic changing is practised. Large numbers of looms of this type, mostly of Japanese manufacture (e.g. Toyota, Tsudacoma, Sakamoto) could be economically reconditioned and used in this way. There are also very large numbers of looms of the classic Lancashire non-automatic type made by such British makers as Butterworth and Dickinson, Hattersley, and Liveseys. These are no longer in use in the large Asian mills but could be renovated, at reasonable cost.

IV.1 Technical aspects of non-automatic power-looms

Non-automatic power loom have become widely known as Lancashire looms in view of the world-wide reputation of cotton spinning and weaving in Lancashire. Although superficial differences exist in Lancashire looms of different makes, all of them (and indeed all subsequent shuttle looms) have employed the same basic elements which are found in the simple hand-operated frame looms described earlier. A brief technical description of non-automatic power looms is provided below.

(a) Shaft System

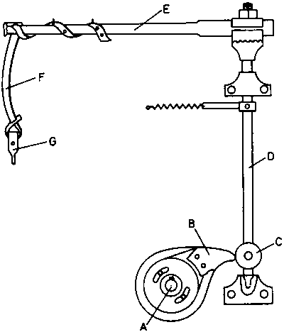
The actuation of the elements of non-automatic power looms depends upon two shafts; a ‘top-shaft’ (crank shaft) which receives the primary motive power and which, through a pair of gears, drives a lower or ‘bottom shaft’ at exactly half-speed of the top shaft. The arrangement is illustrated diagramatically in Fig. III.5. In this figure, X is the top shaft and Y the bottom shaft; other loom parts are identifiable from the key below the diagram. It will be noticed, by a comparison with the frame loom, that the actuating means have been slightly modified for the purpose of power operation, the sley being now pivoted from below instead of above, and the threadles used for raising and lowering the healds have been turned around to bring their pivots below the warp beam.


Figure III.5 Sectional diagram of a power-loom for the weaving of plain cloth

A. weaver’s beam or loom beam
B. warp threads (ends, sheet form)
C. back rest or bearer
D. lease rods
E. “shed”
F. healds
G. reed
H. fell of cloth or beat-up point
J. shuttle
K. breast beam
L. cloth take-up roller
M. tug bar
N. cloth roller
O. tappets
P. tappet treadles, with anti-friction bowls
R. treadle fulcrum
S. roller-top, heald reversing motion
T. rocking rail, or shaft
U. sley sword
V. crank arm
W. sley
X. top shaft

Y. bottom shaft

The function of the top shaft is to rock the sley to and for through a crank and connecting rod mechanism. The bottom shaft has two functions. Firstly, it operates the treadles by means of diametrically opposed cams (tappets) in order to raise and lower the healds alternately for the production of plain-weave fabric (the arrangement for other simple weaves is dealt with later). Secondly, the bottom shaft actuates the picking mechanism which propel the shuttle through the warp shed from the left and right sides of the loom alternately. This simple two shaft arrangement ensures precise and consistent mutual coordination of the three basic motions of weaving (i.e. shedding, picking and beating up).

(b) Sley

The sley, a substantial timber batten, oscillates immediately below the lower warp sheet in the front shedding zone (i.e. the region between the healds and the fell). It is carried on metal ‘sley swords’ which, in turn, are secured to a ‘rocking rail’ which spans the loom close to the floor line, at the front below the fell. The reed rests in a groove, in the sley top, and is secured by a heavy cap. The upper surface of the sley, known as the ‘race board’, supports the shuttle as it travels through the shed (see diagram). There is a shuttle box at either end of the sley, the shuttle being projected from one box to the other at each pick.

(c) Shuttle

The shuttle is generally made from hardwood and is typically between 30 and 40 cm long. It has a pointed steel tip at either end. The weft yarn is in the form of a pirn (or sometimes a mule-cop), a long slim package wound in such a way that the yarn can be withdrawn substantially axially from one end without the package itself being rotated. The pirn is always as large as can be accomodated within the hollow shuttle, and typically contains from 30 to 60 grammes of yarn.

The same basic principle of shuttle propulsion, as in the hand-operated fly-shuttle loom, is used in the power loom. However, the picker is, in this case, propelled either by a strap connected to an upper swinging arm (picking stick) or, directly, by the top end of the picking stick which moves along a slot in the base of the shuttle box. Although the use of wood and leather components in this sort of mechanism appears to be anachronistic today, it is worth noting that for more than a century loom-makers have been unsuccessful in their efforts to devise picking mechanisms which do not require the use of such materials. The most highly developed shuttle-looms available today use wooden picking sticks and leather or fabric check bands in connection with shuttle projection.

(d) Picking

A pair of picking cams constitute the mechanical means by which picking is effected. Each element of the pair is usually secured on the bottom shaft on either side of the loom. Apart from looms used for the production of particularly heavy fabrics (with which this memorandum is not concerned), such as corduroy, there are two principal forms of picking mechanisms fitted to non-automatic looms. The first of these, called the cone-overpick motion, is illustrated diagramatically in Fig. III.6. A shuttle-box for the overpick motion is illustrated separately in Fig. III.7. The second mechanism is called the side lever underpick motion. It is illustrated in Fig. III.8. Keys below each diagram identify the main components.


Fig. III.6 Cone ‘over-pick’ motion

A - Loom bottom shaft
B - Picking cam
C - Picking cone
D - Picking shaft
E - Picking stick
F - Picking band
G - Picker


Fig. III.7 Shuttle box ‘over-pick’ loom

A - Picking band
B - Picker
C - Picker spindle
D - Shuttle
E - Picker buffer
F - Box fender (front)
G - Check strap
H - Box plate
J - Sley
K - Reed
L - Sley cap


Fig. III.8 Under-pick motion, side lever type

A - Loom bottom shaft
B - Picking bowl
C - Side lever
D - Picking plate
E - Picking shoe
F - Picking stick
G - Rocking shaft (rail)
H - Picker
J - Sley
K - Slot in sley
L - Box front (fender)

The principal difference between the two picking motions is indicated by their names. In the overpick motion, the picking sticks are in the form of swinging horizontal arms located above the shuttle boxes. The corresponding pickers are connected to the sticks by leather straps. In the under-pick motion, the picking sticks, which are mounted vertically below the shuttle boxes, are secured on extensions of the rocking-rail. The sley-swords are secured and pivot on the picking sticks. The upper ends of the latter project through longitudinal slots cut in the sley and in the base plates of the shuttle boxes. The pickers are themselves slotted so as to fit over the upper ends of the picking sticks. Each picker slides along its box plate when delivering a pick as the top end of the picking stick is being moved sharply inwards in the direction of intended shuttle motion. It will be apparent, from the diagrams, that the shuttle-box fitments for the over-pick motion are much more complicated than those for the under-pick motion. Consequently, the settings and adjustments of the individual parts require much more attention.

Generally, cone-overpick motions are used for fabrics of light to medium weight and underpick motions for medium and heavy fabrics.

When non-automatic looms were more widely used in the UK, many loom overlookers were of the opinion that, when correctly maintained and adjusted, overpick motions should give a smoother picking action, with less wear of components, than would underpick motions. Nevertheless, new developments led to the automatic shuttle loom which is mainly based on underpick motions of improved design. The parallel action cone-underpick motion is an example of a more recently developed picking mechanism in use on various makes of automatic looms.

(e) Boxing

An ever-present danger with all shuttle looms is that, due either to the projection velocity being too low or to undue interference from warp or weft yarns, the shuttle may fail to complete its journey and be safely ‘boxed’ before beating up begins. It is therefore usual to provide protection against this appening in order to avoid considerable damage to both the warp and reed. Therefore, one or the other of two warp protection systems constitute standard devices of the Lancashire looms. These devices are referred to as fast-reed and loose-reed systems, and the looms to which they are fitted are correspondingly called fast-reed and loose-reed looms. The former are used for fabrics covering a wide range of weights from light to heavy while the latter are suitable for only relatively light-weight materials.

In the fast-reed loom, a spring-loaded finger carried by the sley enter in abrupt contact with a step in a metal block-called the ‘frog’ - as the sley approaches the beat-up position should the shuttle fail to enter the receiving box. The striking of the frog by the finger causes instantaneous disengagement of the loom starting handle and the simultaneous application of the loom brake.

In the loose-reed loom, beat up is permitted to partially take place but the reed, which is only lightly held in position by means of a spring, is pushed backwards by the trapped shuttle. The force of impact between shuttle and warp at the fell is thus greatly diminished. As in the fast-reed loom, the starting handle is disengaged and the loom brake applied when a shuttle trap occurs. Loose-reed looms are designed to run at higher speeds than fast-reed looms, and are of lighter construction. Fast-reed looms have a more rigid and heavier framework which is capable of withstanding the considerable shock associated with a ‘bang-off’.

(f) Weft-fork detector system

Normally, the weaver stops a non-automatic loom just before the weft in the shuttle is exhausted. If the weaver fails to do so and the pirn empties, the absence of weft is usually detected by a ‘weft-fork’ detector system. The sensor consists of a metal fork-shaped member which is lightly pivoted so that it is tripped by the weft trail which extends from the fell to the shuttle in the receiving shuttle box. Absence of a weft trail fails to trip the fork at the appropriate instant in the loom cycle and results in the disengagement of the starting handle and the stoppage of the loom. Weft-fork motions are positioned on the starting handle side in most Lancashire looms, and thus only sense the weft on alternate picks. In looms of more recent design, they are usually located in the centre of the race board, and thus sense the weft on every pick.

(g) Gear-train system

The required number of picks per inch (or per centimetre) is obtained by fitting a change gear with the appropriate number of teeth in a train of gears which drives the cloth take-up roller. Movement of the train is initiated by a pawl and ratchet arrangement, which is activated from the sley and is usually timed to operate close to beat-up. Two common take up gear train systems are used on Lancashire looms: one is referred to as the ‘five-wheel’ motion and the other as the ‘pickles’ or ‘seven-wheel’ motion. Both motions are suitable for the types of cloth covered by this memorandum, but the pickles motion has one particular advantage: the number of teeth in the change-wheel is equal, or very close, to the actual number of picks per inch inserted, whereas with the five-wheel system, the larger the number of picks required in the cloth the smaller the number of teeth required in the wheel. Thus, the latter involves some calculations or reference to a table of pre-calculated values (which can lead to error): otherwise, both systems work satisfactorily.

(h) Let-off motions

The warp sheet must be maintained at a reasonably uniform tension from start to end of the loom beam at a level which permits let-off of new warp as cloth is woven and taken-up. On a simple Lancashire loom, this function is effected by applying a friction drag to the beam by means of a lubricated chain wrapped around the beam ruffle. The chain is attached to the loom frame at one end and to a weighted lever system at the other end. The weight position on the lever and thereby the tensioning moment applied to the warp beam, must be adjusted as the beam weaves down. This adjustment compensates for the gradual increase in the beam-warp torque (i.e. the pull-off force required to turn the beam and let off further warp) which would arise if no adjustment were made to the weighting. This would also lead to the warp tension rising continuously from beginning to the end of the beam. In more modern forms of let-off motions, some of which are fitted to Lancashire looms, warp tensioning adjustments are made continuously in response to a feeler system which detects changes in the beam diameter.

(i) ‘Temples

There is a strong tendency for cloth on the loom-roller to be narrower than the width of the warp from which it is woven. The contraction is caused by tension in the weft and relaxation of the weaving tension in the warp. To minimise this effect as well as to prevent thread breakages at the selvedges during weaving, it is usual to hold the fabric out to its nominal woven width at a point just beyond the fell. Grips used for this purpose are known as ‘temples’. There are various patterns of such grips, the most common for cotton fabrics being the type known as ring temples. The latter grip the cloth as it is being woven over a distance of six or eight inches from the selvedges inwards on either side. The rings carry projecting pins which grip the fabric as it passes through the temples, and release it easily and without damage (provided that the temples are set and maintained correctly) as the cloth is drawn progressively forward by the take-up system.

(j) Weaving of twills

So far the weaving of plain weave fabrics has been considered. Of the eight fabrics listed in Table I.1, the first four are of this type and can be woven on looms incorporating the simplest basic shedding mechanisms as shown in Fig. III.5. The other four fabrics are twills which require additional heald staves and tappets.

For plain weave using two shafts, or for four shafts working as two so as to avoid overcrowding of the healds, the tappets are fixed on the bottom-shaft, and hence rotate at half the top-shaft speed. For multiple tappet shedding, for three or more independent staves, one cam of appropriate shape is needed for each stave. For example, the three staves for the 2 x 1 twill weave (see Fig. III.1(b)) require three tappets, each making one complete revolution for every three picks woven (i.e. each tappet rotates at one-third of the speed of the top-shaft). Similarly, a four stave twill will require four tappets rotating on a shaft turning at one quarter of the speed of the top shaft. On the Lancashire loom, these simple weaves can be made by installing a separate tappet shaft on which tappets of appropriate shape can be mounted and driven at the required speed by change-gearing from the bottom shaft.

It will be appreciated that cams, unless of the ‘positive motion types’ only impart movement to the cam follower in one direction. It is thus necessary to provide means for reversing the direction of motion in order to obtain continuity of the action. Simple stepped rollers placed above the loom, and over which straps are passed which are coupled to the tops of the heald staves, are used for reversing the two staves required for plain-weave (see Fig. III.5). For weaves woven by means of tappets which require more than two staves, more complex multiple roller reversing motions can be fitted to the Lancashire loom or, alternatively, spring-operated reversing motions, of which there are a number of designs, can be used.

(k) Patterning

Patterning may be achieved by the use of coloured yarns. Warpway stripes can be woven on any loom without need of additional equipment by arranging coloured yarns appropriately in the warp beam. The combination of warpway and weftway stripes to produce chequered patterns, such as ginghams, is a little more difficult. The handloom weaver must, in this case, assemble a number of shuttles charged with yarns of the required colours, and then change one shuttle for another in a proper sequence. In the case of power-looms, it is necessary to use multiple shuttle boxes. This is usually done at one end of the sley only. While there are several ways in which multiple boxes may be arranged, all of these involve the same basic principle: the automatic replacement of one box by another without interrupting the running of the loom during that part of the weaving cycle in which shedding is taking place, and the shuttle is normally at rest. The mechanism employed to achieve this are not unduly complex and are very robust. They do, however, increase the cost of the loom. As they also reduce the operating speed (typically by about 10%), it is generally uneconomic to use multi-box looms where only a single colour weft is needed. It is preferable in this case to install only sufficient multi-box looms to cater for the actual consumer demand for multi-colour weft fabrics.

IV.2 Operation and maintenance of non-automatic power looms

It should be appreciated that considerable skills is required to set-up and maintain a loom of the Lancashire type. This is particularly so because few such looms have frameworks and components which are machined to the precision demanded of modern textile equipment. Thus, accuracy in settings is fairly difficult to achieve and maintain. In this respect, automatic looms are often easier to set-up, although requirements for the assimilation of technical knowledge on the part of the overlooker may be greater than in the case of non-automatic looms. In any weaving shed, and particularly in sheds equipped with Lancashire type looms, it has been found beneficial for the management to encourage the practice of some form of systematic loom overlooking. Such practice would ensure that critical operations (e.g. shuttle-box adjustments which control both the speed and accuracy of flight of the shuttle) are frequently monitored. The use of a system of standardised loom settings obtained initially on an experimental loom of similar design to those in production, and weaving similar cloth, may help achieve the above objective.

IV.3 Productivity of non-automatic power looms

It takes approximately 12 seconds, on average, to stop a non-automatic loom and replenish the weft supply. The frequency of weft replenishment needed depends on a number of factors, such as the speed and width of the loom and the size of the shuttle. However, the most important factor is generally the coarseness of the yarn. In weaving the selected cloths, weft replenishment frequencies would be expected to range from about 20 per hour for heaving sheeting cloth (T2), to around 5 per hour for light fabric cloth (P4). Thus, the corresponding looms would necessarily stop to allow for weft replenishment for 4 minutes and 1 minute respectively in each hour. The effect of these stoppages is likely to be very limited.

In practice, the total lost time on this account will depend on the number of looms tended by one weaver. Where each weaver tends only two looms, there will be only a few occasions when a job on one loom will cause delay in replenishment of the weft on the other loom. On the other hand, should a weaver tends eight or ten looms, considerable interference between looms will occur and the amount of lost time will be greater. In general, it is found that the productivity of non-automatic looms is from 2 to 6 per cent lower than that of comparable automatic looms. As this is by no means sufficient to justify the additional automatic features, in terms of capital per unit of productive capacity, it is clear that the increasingly widespread use of automatic shuttle looms is justifiable primarily on other grounds.

V. Automatic power looms

Automatic shuttle looms are essentially simple power looms to which has been added means of automatic weft replenishment. However, in order to gain full advantage of this latter feature, thus enabling a weaver to look after more looms, shuttle looms should also be equipped with an automatic warp let-off motion and an automatic ‘warp-stop’ motion (which immediately stops the looms if a warp thread break occurs). All these features are considered standard fitments on an automatic loom. Figure III.9 shows an automatic Pirn change loom with under-pick motion.


Figure III.9 Automatic pirn-change loom with under-pick motion

V.1 Weft replenishment

The operation of automatic weft replenishment can be performed in two ways. In the first method, the empty shuttle is ejected from the loom at some convenient time in the loom cycle (i.e. when the shed is changing) and a new shuttle is inserted with a full weft package. In the second method, which is currently by far the most common, the empty weft package (pirn) is ejected and immediately replaced with a new full pirn of weft. The first method requires at least two shuttles per loom and to the extent possible, these have to be identical in all respects, including the degree of wear due to service. The second method requires only one shuttle per loom, but this shuttle is of a special shape.

Apart from the above features, there are two distinct categories of automatic shuttle looms: shuttle changers and pirn changers. These are briefly described below.

V.2 Shuttle changers and pirn changers

In operation, shuttle changers require that a magazine be kept supplied with charged and threaded shuttles, whereas the magazine only requires to be loaded with pirns in the case of pirn changers. In times when hand-spun and mule-spun weft were commonly used, the shuttle changer had a possible advantage in that miscellaneous cops taken directly from the spinner could be loaded into the shuttles. This was not possible in the case of pirn changers which require that the yarn be wound on to special bobbins furnished with means for automatic retention by, and ready ejection from, special shuttles needed for this purpose. Lately, the production of fabrics for high-income consumers requires a low permissible fault rate, and since present demands cannot be met without very stringent clearing of both warp and weft yarn, the advantage of the shuttle changer has largely disappeared. Thus, rewinding from the spinner’s package is essential for yarn clearing, and no further cost is therefore incurred in the preparation of weft pirns suitable for the particular type of automatic pirn changer. Consequently little advantage remains in the use of a shuttle able to accept weft in packages of a variety of forms.

This situation does not occur where fabrics for low-income consumers are being woven. Consequently, a number of shuttle changers are still in use in developing countries although it is very common to find looms which are only nominally automatic. The reason for this is the high cost of shuttles used in this type of loom. Often, the expense of the additional capital needed to keep each loom supplied with sufficient shuttles (which have a relatively short life and must be regarded as consumables) is so high that it becomes more economical to operate such looms as non-automatics. On balance, one must conclude that, in most circumstances, the pirn-changer is to be preferred except where yarn suitable for the types of cloth covered by this memorandum is readily available only for use in plain (i.e. non-pirn changing) shuttles. For these reasons, the single-shuttle pirn changer is currently the most commonly used power loom world-wide. Such a loom has been further improved and is now being produced in large quantities which allowed a considerable reduction of the price of the automatic pirn changing facility.

In response to demand by high-income consumers for nearly perfect machine-made cloth, most loom makers now work to very high engineering standards in regard to both design and manufacture. Consequently, the cost and the standard of engineering precision of looms of all kinds have also increased. It is nevertheless true that some makers are still able to supply automatic looms which are broadly similar in design and construction to those produced in Europe and North American between 1930 and 1960. These are therefore available at somewhat more modest price levels.

V.5 Automatic power loom manufacturers

Over the past thirty years, the standard of manufacture of automatic shuttle looms which require low labour inputs has risen to a very high level. Most European and North American makers now offer only looms to these very high engineering standards with a view to minimising skilled labour inputs over the useful life of the equipment. The cost of these looms is very high in relation to conditions obtaining in developing countries for which they are therefore not suitable.

Most western loom-makers used to make suitable low-cost automatic looms. This is not anymore the case as few manufacturers can now produce these looms profitably: the available machine tools and production methods used for the manufacture of “super-looms” are unsuitable for the manufacture of the less sophisticated low-cost looms. A small number of Western loom makers still offer simple, low-cost machines based on pre-1950 designs. One such company is British Northrop Ltd., Blackburn, United Kingdom. Pioneers of the pirn change automatic loom in Europe 75 years ago, Northrop has produced the well-tried ‘S’ model, of which there are more than 30,000 units in operation worldwide. In 1976, Northrops completely equipped a new mill in the Sudan with this simple and robust automatic loom. While not known precisely, it is inferred that the price per loom was not greatly in excess of £2,000 at January 1980 values.

India is one of the few developing countries which produces and exports both automatic and non-automatic looms suitable for the needs and conditions of the developing countries. Three important manufacturers are (i) Cooper Engineering of Poona who, in collaboration with North American Rockwell, offer a loom based on the Draper (X2) model, a loom of essentially pre-1940 design; (ii) National Machinery Makers Ltd., of Kalwe Thana, produce the Ruti ‘B’ type automatic shuttle loom, one of the best of such looms made during the 1950/60 period; and (iii) Central India Machinery Manufacturers Company (CIMMCO) of Gwalior which, in collaboration with Sakomoto of Japan, offer an automatic loom based on a Japanese design of about 1950.

V.4 Trade in second-hand textile machinery

There is considerable trade in second-hand textile machinery of all types. In some cases, complete installations are bought in situ, dismantled and re-erected in a new location. Alternatively, machinery is bought from stocks held by a dealer. The greatest proportion of the trade is, by far, in re-conditioned shuttle-looms, both automatic and non-automatic. Bestex Textile Machinery of Blackburn, United Kingdom is an example of a typical secondhand machinery dealer offering a comprehensive, world-wide service. Other companies offering a similar service are ‘Reconditioned Looms’ of Blackburn, United Kingdom and Josef Kruckels of Munchengladbach, Federal Republic of Germany. In addition, some loom-makers, such as British Northrop, will recondition looms of their own manufacture to an ‘as new’ condition either at their works or on site.

The decision to invest in second-hand weaving equipment is not an easy one to make as it involves complex considerations of a technical and economic nature. Producers interested in buying such equipment should therefore obtain detailed information on what is being offered by second-hand equipment dealers, and undertake careful feasibility studies prior to deciding on the acquisition of a piece of equipment. Interested readers may obtain useful clues on the approach to be used when looking for second-hand equipment from the ILO publication (Cooper and Kaplinsky) listed in the attached bibliography.

V.5 Skill requirements

All automatic looms are more demanding of technically skilled labour than are non-automatic looms although the latter may sometimes demand a higher level of ‘practical’ expertise. In comparing automatic and non-automatic shuttle looms, it will be found that a higher standard of technical training and diligence are required to ensure satisfactory operation of the automatics. This is partly because of the relatively complex mechanism by which automatic weft replenishment is achieved. In addition, it is necessary to be more meticulous in the care and adjustment of the picking mechanism that might otherwise be the case: automatic changing of either the shuttle or the pirn requires more accurate timing and positioning of the shuttle than is necessary when the shuttle is being removed and replaced manually.

In conclusion, in view of the various factors considered in sections IV.2 and V.3, and given the types of cloths considered in this memorandum, no real benefit should be gained in using automatic looms as an alternative to non-automatic looms. The latter should also be preferred at all three levels of production covered by this memorandum given the relatively low wages paid in developing countries. This matter will be further analysed in chapter IV.

VI. Shuttleless looms

There are four basic types of shuttleless looms widely used in industrialised countries. These looms are outside the scope of this memorandum as they should not, in general, be suitable for conditions prevailing in developing countries. They are, thus, only briefly described in this section. The economics of shuttleless looms will be considered in chapter IV.

(a) Projectile loom. This class of looms uses a succession of small shuttle-like projectiles to transport single picks of weft through the warp shed from stationary supply cones. These looms are highly sophisticated weaving machines capable of a very high output of first-quality fabrics.

(b) Rapier looms. This type of looms consists of rigid and flexible rapier looms in which single picks of weft are inserted from stationery supply packages, by means of a slim shaft or shafts known as rapiers.

(c) Jet looms. This type of looms includes air-jet and water-jet looms. Water-jet looms are only suitable for weaving continuous filament hydrophobic materials. In the air-jet looms the weft is inserted by means of a very fine high velocity air-jet.

(d) Multiphase loom. This loom is still in the development stage, although preliminary versions have been demonstrated. It is a further development of the multi-shuttle circular looms, but the new versions are linear machines.

VII. Ancillary equipment

After the loom warp has been prepared, sized and beamed, and before weaving can commence, the warp must first be ‘loomed’ (i.e. the warp threads must be drawn-in through the healds in the various staves, in the required ‘drafting’ order, according to the fabric weave). Subsequently, the threads must also be drawn-in, in groups of two, three or more, through the reed. Looming is usually carried out in a room separate from the weaving shed. After looming, the warp, together with the healds and reed, are taken to the loom where the warp is then ‘gaited’, (i.e. the healds are connected to the treadle levers and to the reversing motion; the reed is secured in position under the sley-cap; and the warp sheet is straightened, tensioned and tied-in to a cloth fent attached to the take-up system). The loom temples are then set, and the shed opening and closing timings adjusted in combination with the picking timings from both shuttle boxes.

The looming of warps involves the hanging of the healds vertically in a drawing-in frame. The warp beam is mounted behind this frame in a stand with the reed, supported but laid flat, in front. Hand-drawn-in warps require two operatives: (i) a ‘drawer-in’ sitting in front of the frame, selecting the healds in drafting order and drawing the ends through the eyes with a reed-hook and (ii) the ‘reacher-in’, working from behind the frame, selecting the warp threads in order from the beam, and presenting them to the reed-hook held by the drawer-in. It is clear, from this brief description, that the work is fairly tedious. The advantage, however, is that the equipment required is very simple and may be manufactured locally. Partial automation, consisting of replacing the services of a reach-in by a mechanical thread selector and presenter might be considered for large-scale production.

When a warp is woven out, a succeeding warp of similar kind is often ‘twisted-in’ or ‘knotted-in’, at the loom, to the end of the previous warp. Thus, re-drawing and re-gaiting are unnecessary. This operation, however, cannot be repeated indefinitely since the healds and reed must be thoroughly cleaned periodically. On average, cleaning should be necessary after about every four or five warps. The number of warps which must be fully loomed and gaited is, therefore, considerably reduced. If this procedure were to apply to production in developing countries, it is estimated that two hand-looming frames would fully meet the needs for small-scale production, three frames for those of medium-scale and four, or at most five frames, for those of large-scale production, depending, in each case, on the hours of work.

Mention has been made elsewhere that items such as healds and reeds, while having a reasonably long life given adequate maintenance, must, nevertheless, be generally treated as expendable. To a much lesser extent, the same applies to warpers’ and weavers’ beams. Pirn tubes, along with items such as shuttles, pickers, picking-sticks, picking-bands, check-straps, loom-buffers etc. are also expendable to varying degrees. Good housekeeping, along with skilled overlooking, should help keep replacement costs for these items to a minimum.

In weaving mills, where warp preparation and sizing is carried out, it is necessary to install racks for the storage of both full and empty warpers’ and weavers’ beams. These racks may be manufactured locally. Furthermore, trucks with incorporated lifting and lowering facilities are desirable for the internal transporting of heavy beams and cloth batches. The incoming yarn must also be stored, and the pirned weft, usually in metal bins, must be protected from damage before delivery to the looms.

The woven cloth is usually inspected over a viewing table in the warehouse; the number of viewing tables required depends on the extent of the examination. Most major weaving faults can be detected in fabric running over a perch or viewing table, under good light, at speeds of around 20 metres/min. Thus, one viewing table should be sufficient for small- and medium-scale production (single or on a two-shift basis). Large-scale production may require the use of three viewing tables. The cloth itself will require either rolling on to tubes or plaiting in metre-laps for storage and transport. This is done either as the cloth is being examined or as a separate operation.

VIII. Yarn requirements

There is no difference between the basic yarn requirements for the looms described in this memorandum. Yarn requirements in terms of strength, uniformity and freedom from imperfections are dependent on two considerations: the performance and appearance requirements of the cloth, and the level of productivity which is expected of the operatives. As the first consideration does not constitute a severe constraint, it is only necessary to take account of the second one. This essentially involves achievement of the most economic balance between labour costs and machine utilization factor. No problems arise in the case of hand looms: the weaver continues to tend only one loom whatever quality of yarn is provided as his productivity should not fall substantially if yarn quality is lowered. Fall in productivity - in comparison with productivity achieved with perfect yarn - should not exceed 20% if the lowest quality yarn were used.

The use of low quality yarns inevitably leads to higher breakage rates and consequently, to an increase in the number of operative hours needed to produce a given quantity of cloth. However, the type of loom used does not have a first order effect on the amount of time spent in the repair of a weaving break, either of warp or weft. At the lowest level of yarn quality - consistent with fabrics covered by this memorandum - one weaver might reasonably be expected to tend two non-automatic powerlooms or four automatic looms. With very well prepared yarn of the highest quality, one weaver could tend six non-automatics or up to sixty automatic looms. Thus, the labour-saving potential of the automatic looms is much more severely curtailed by the use of low quality yarn than is the case with non-automatic looms. This does not necessarely mean that automatic looms require better yarns, or that it is less economic to use automatic looms in conjunction with low quality yarns. The basic consideration is that the amount of labour needed is reduced when the quality of yarn is raised regardless of the type of loom. Thus, in high wage cost countries, weaving becomes profitable only if yarn quality is high. Furthermore, as the higher capital cost of automatic looms is justified by the high wages, it is usual for high quality yarns to be used in conjunction with automatic weft replenishment.

IX. Product quality

Product quality in the case of hand-looms is greatly dependent on the skill of the weaver. For all other looms, yarn quality is, by far, the most important determinant of cloth quality. Given the use of identical yarns, cloths of identical quality may be produced by power-operated shuttle looms and shutterless looms with the following exceptions:

- Cloth woven on non-automatic looms may show occasional starting places caused by lack of skill or care on the part of the weaver when re-starting the loom after shuttle replenishment. Normally, the incidence of this minor fault should be small.

- If the quality of the weft yarn is such that there is an appreciable variation in count from pirn to pirn, ‘block barring’ will be noticed in the cloth. “Block barring” consists of a succession of slight, but abrupt, changes in cloth density caused by changes in the count of the weft from one pirn to the next. This fault occurs with equal severity when weaving on any type of shuttle loom. However, it is appreciably less severe when shuttleless looms are used since the size of the weft packages are much larger than those used in the other looms. Shuttle looms may be improved by the use of multiple shuttle boxes in order to attain some degree of weft-mixing (e.g. given two alternative shuttle boxes at one side of the loom, alternate double picks may be taken from two pirns instead of weaving continuously from a single pirn). This procedure greatly reduces the prominence of “block barring”.

Cloth woven ‘single width’ on either automatic or non-automatic shuttle looms will have true selvedges. Low-income consumers in developing countries consider these as a “quality” feature. Mock selvedges (leno or tucked), which are made by shuttleless looms, are generally held to be inferior to true selvedges. This “quality” weakness is also present when cloth is woven ‘multi width’ on shuttle looms. Most makers now offer shuttle looms in very wide widths which can weave two or more narrower cloths simultaneously. For example, many looms are now available with a reed width of about 3 1/2 metres: on such looms three separate cloths, each one meter wide, may be woven. In this case, only the outer edges of the two outer cloths have true selvedges, while the inner edges of the outer cloths and both edges of the middle cloth have only mock selvedges.

X. Factory space requirements and layout

Figure III.10 is provided as a guide for the space requirements and layout of a small-scale weaving factory. The layout may be scaled-up for larger undertakings by using the data in Tables IV.3 to IV.5 in chapter IV.


Figure III.10 Plan of a small weaving shed

TO PREVIOUS SECTION OF BOOK TO NEXT SECTION OF BOOK

CD3WD Project Donate