Back to Home Page of CD3WD Project or Back to list of CD3WD Publications

CLOSE THIS BOOKImproved Biogas Unit for Developing Countries (GTZ, 1991, 98 p.)
VIEW THE DOCUMENT(introduction...)
VIEW THE DOCUMENTAcknowledgments
VIEW THE DOCUMENTForeword
VIEW THE DOCUMENTAcknowledgment
VIEW THE DOCUMENT1. Preface
VIEW THE DOCUMENT2. Why biogas ?
VIEW THE DOCUMENT3. Explanation of terms
VIEW THE DOCUMENT4. Biogas extension work
VIEW THE DOCUMENT5. The agricultural biogas unit
VIEW THE DOCUMENT6. Construction of the biogas plant
VIEW THE DOCUMENT7. Construction of cattle stable
VIEW THE DOCUMENT8. Construction of the pigsty
VIEW THE DOCUMENT9. The sanitary biogas unit
VIEW THE DOCUMENT10. Use of slurry
VIEW THE DOCUMENT11. Use of gas
VIEW THE DOCUMENT12. Operation and maintenance
VIEW THE DOCUMENT13. Pending technical issues
VIEW THE DOCUMENT14. Appendix

11. Use of gas

General

As biogas burns with an open flame, the place of gas consumption should be ventilated but free of draft directly at the flame. The flame will be more stable. For lighting, the lifetime of lamp mantles will also be prolonged. Sensitive equipment like refrigerators or incubators should be situated where they can be controlled.

Biogas can be used like any other combustible gas, e.g. LPG. Each gas has its own properties which must be observed for efficient combustion. The main influencing factors are:

-gas/air mixing rate
-flame speed
-ignition temperature
-gas pressure

Compared to LPG, biogas needs less air per cubic metre for combustion. This means, with the same amount of air more gas is required. Therefore, gas jets are larger in diameter when using biogas. About 5.7 litre of air are required for total combustion of 1 litre of biogas, while for butan it is 30.9 litres and for propan 23.8 litres.

The flame speed is lower with biogas than with LPG. Therefore, speed of gas at the burner heads must be reduced. This can be achieved by conical orifices, but normally, the bottom of the cooking pot functions as a speed breaker for the flame.

The ignition temperature of biogas is higher than of diesel. Therefore, when biogas is used in engines, ignition spark plugs are required or partly diesel must be added to the gas (dual fuel) to run the engine. Slow turning diesel engines (approx. 2000 RPM) suit biogas better than fast turning Otto-engines (above 5000 RPM).

The efficiency of using biogas is 55% in stoves, 24% in engines but only 3% in lamps. A biogas lamp is only half that efficient than a kerosene lamp. The most efficient way of using biogas is in a heat-power combination where 88% efficiency can be reached. But this is only valid for larger installations and under the condition that the exhaust heat is used profitably. The use of biogas in stoves is the best way of exploiting the energy of farm household units.

Gas Stoves

All gas burners follow the same principle. The gas arrives with a certain speed at the stove. This speed Is created by the given pressure from the gasplant in the pipe of a certain diameter. By help of a jet at the inlet of the burner, the speed is increased producing a draft which sucks air into the pipe. This air is called primary air and is needed for combustion. Therefore, it must be completely mixed with the biogas. This happens by widening the pipe to a minimum diameter, which is in constant relation to the diameter of the Jet. By widening the pipe further the speed of the gas again is reduced. This diffuse goes over Into the burner head. The cone of the diffuse and the shape of the burner head is formed in such a way as to allow the gas pressure to equal everywhere before the gas/air mixture leaves the burner through the orifices with a speed only slightly above the specific flame speed of biogas. For final combustion the gas needs more oxygen which is supplied by the surrounding air. This air is called the secondary air.


Fig. 37: Gas stoves

Biogas from a fixed dome plant arrives with a pressure of 50-60 cm W.C. on an average. The ideal stove (1) has a diffuse cone (2) and an air breaking ring (3). For manufacturing in a normal ironmonger workshop, the shape of the stove is slightly simplified (4). Important dimensions are the diameter of the Jet (5), the length of the air intake holes measured from the end of the jet (6), the length of the mixing pipe (7) and its diameter (8),, the number and diameter of the [lame port holes (9). Increasing the height of the burner head ( 10) makes good for the missing diffuse cone. The top lid (11) is loosely laid on the burner head. It projects 1 cm over the rim (12). The air-intake holes of the mixing pipe (13), made by two drillings of Ø 8 mm (14), should be at the side as to avoid food dropping into them. The burner is screwed to a steel frame out of L 50·3 (15). Brackets welded on the top of it (16) secure the proper distance between the bottom of the pot and the flame port.

If combustion is perfect, the flame is dark blue and almost invisible in daylight. Stoves are normally designed to work with 75% primary air. If too little air is available the gas does not burn fully and part of the gas escapes unused. With too much air supply the flame cools off and thus, prolonging the cooking time and increasing the gas demand.

Manufacturing Stoves

Gas stoves are relatively simple appliances which can be manufactured by most blacksmiths or metal works. Gas stoves of mild steel may corrode if the hydro-sulphur content in the biogas is high. This is often the case when biogas is produced from human excrete or pig dung. Therefore, high quality steel or cast iron is advantageous. Clay burners are widely used in China and have proved to render good service. For experimental use in schools, stoves can be made from used food-tins.

When manufacturing stoves in an ironmongers workshop, the shape of the burner must be simplified. This is justifiable because the methane content and the gas pressure are changing. Full adaptation is not possible for that reason. A standard design used for biogas delivered from fixed dome plants has been developed.

When it happens that all the flames are torn off the flame port and ignition becomes impossible the flow speed must be reduced. This can be done by reducing the volume of the gas/air mixture by partly closing the air intake holes.

The stove itself, i.e. the stand for the pots, needs consideration as local food habits have high influence on the design. The stand must be strong to allow stirring of even thick foods like "ugali", rice or stew.

Modification of LPG Stoves

LPG stoves can be modified to fit the properties of biogas. The efficiency will often not be as good as with a genuine biogas stove. Hence, the geometry of the burner will not be known exactly, modification remains subject to trial and error. The easiest way is to close the primary air inlet completely 'and then widen the Jet according to the wanted heat supply. The air intake might then again be opened little by little. When lighting the burner about half of the orifices should bear flames. After a pot is placed on the fire, all orifices are ignited.

The jets of LPG burners can be widened with a drill. It is better to go step by step instead of spoiling the burner by opening the jet too far. For example, an original 1.2 mm jet should be widened in the first step to 1.4 mm only, in the second step to 1.6 mm until it gives the wanted result. If there is no vice at hand, the drill can even be used without a drilling machine when jets are of soft brass metal.

Gas Lamps

Although biogas lamps have proved not to be economical compared to kerosene lamps, they are often the major reason for wanting a biogas plant rather than the clean and smokeless cooking fuel.

The principal of a gas lamp is similar to that of the stove. With a stove, the burning gas heats a pot. In a lamp, the burning gas heats a mantle until it glows brightly. The secret behind a lamp is to adjust the flame in such a way that the hottest part of the flame exactly matches the form of the mantle. Proper air mixture and appropriate size of the mantle play the biggest roles. The methane content of biogas sometimes changes. Therefore, brightness of the light will also change.

Local production of lamps is far more problematic in design and more complicated to manufacture than producing efficient stoves. Trial and error provides the best method in most cases. There are several lamps available that could be imported from India, China, Kenya, Brazil or Italy. The Patel outdoor lamp (Pate Crafters, Bombay/India) has proved to be the most expensive but also the best serving model. It has an air mixing chamber where outside air gets pre-heated before combustion.

Modification of Kerosene Pressure Lamps

Kerosene pressure lamps (petromax, anchor, butterfly and others) are available in most countries. They can be modified and there is no need to import special biogas lamps. Instead of 0,09 l kerosene 0,186 m³ biogas is consumed per hour. To modify a pressure lamp the workshop must be equipped with a lathe. In principal, the jet is widened and a new mixing pipe is mounted. The gas is connected via the original pump opening.

Other Appliances

Biogas can be used for various activities and requirements common in the project region. Refrigerators and chicken heaters are the most common. There are individual cases of using biogas for coffee roasting, bread baking or sterilization of instruments. If the properties of biogas are observed, there is no limitation to its utilization.


Fig. 38: Biogas appliances

(1) Gaslamp made by CAMARTEC from aluminium vessels and a glass mantle from a kerosene lamp. The lamp worked well but was never mass produced. (2) Gaslamp from Italy, (3) from Germany and (4) from Brazil. (5) Big cookstove for institutions, schools etc., developed, built and exported by CAMARTEC. There should always be a smaller stand-by stove in institutional kitchens (6) Household stove from KIE, Kenya (7) Coffee roaster for 1-3 kg of coffee placed on a tube burner or ordinary kitchen stove. (8) Gas refrigerator modified for biogas by changing the jet and the air-intake holes. (9) The "Detroit" chicken hedger with temperature regulation with a floppy cap (a). (10) A room heating radiator, mainly used in chicken houses or piglet styes. A ceramic plate causes heat radiation.


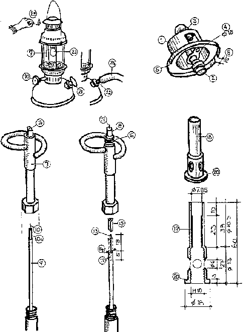
Fig. 39: Modification of pressure lamps

For modification, the head of the lamp ( 1 ) is to be taken off after removing the wig. Because the flame port (2) might break, unscrew it and save it. Remove the kerosene adjustment screw (3) from the U-pipe in' the head Either close the hole by hard soldering or cut the screw so short that it only closes the hole but does not disturb the gas-flow inside the U-pipe.

Look at the head from below and widen the hole (4) beside the flame port socket to Ø 15 mm in order to receive the new mixing pipe. Then enlarge the two notches at the rim (5) of the head from each side to 15 mm width. This will help to replace and remove the head easily. The head is now modified.

For modification of the gas intake system, unscrew the brass jet (6) which is fixed at the top of the standpipe (7). The jet's opening could be widened to Ø 1 mm but a stainless steel jet (8) is much more durable when using biogas. This will be made from a massive rod of Ø 8 mm and should have a thread of M7 · 1. Now unscrew the standpipe and you will find a long needle (9) with a tiny pin (10) at the top. The pin moves up and down, cleaning the jet when the handle of the main valve is turned (11). Unscrew the pin holder (10a) from the needle and widen the thread at the head of the needle with a drill of Ø 0.9 mm to 5 mm depth (12). Insert a steel pin 0 0.9 mm in there (13) or cut the drill in half and use the drill itself as the new pin for cleaning the new 0 1 mm-jet. Press the head of the needle with pliers to fix the pin (14). Take the old pin holder and cut its thread and the pin off and place the remaining shaft over the new pin (15) in order to give better guidance to the needle when it moves up and down inside the jet.

The top of the standpipe will be provided with a thread M10·1 (16) to receive the new mixing pipe which will extend the existing standpipe by 60 mm. Fix the jet to the standpipe and screw the standpipe in its former position. Make sure that the cleaning pin is turned up when replacing the jet with the standpipe (17).

The new mixing pipe (18) is made from Ø 18 mm brass rod. The lower part is turned to Ø 13 mm with an inner thread of M10·1. Four air holes of 0 6 mm cross the pipe. Their rims are bevelled. The upper part is turned to Ø 10.3 mm outside and 7.85 mm inside, where a stainless steel pipe (19) of Ø 8 mm outside and Ø 6 mm inside is pressed in. At the lower end of the mixing pipe there is a 3 mm flange to prevent uncontrolled air supply to the flame (20). After screwing the mixing pipe to the standpipe the inner parts are modified.

Remove the pump at the kerosene tank (21 ) and remove the inner valve with a screw driver. Either produce a new cap with hose connection nozzle and thread M20·0,8 mm or fix a hose connection to the existing cover cap (22). Make the joint gas-tight by soldering. Use teflon sealing tape for placing the cap on the nipple.
Assemble all parts, fix a new mantle (23), connect the gas (24) and light the lamp (25).

TO PREVIOUS SECTION OF BOOK TO NEXT SECTION OF BOOK

CD3WD Project Donate